OPERATOR’S MANUAL
MODEL #100783
3200 PSI Pressure Washer

SAVE THESE INSTRUCTIONS.
This manual contains important safety precautions which should be read and understood before operating the product. Failure to do so could result in serious injury. This manual should remain with the product.
Specifications, descriptions and illustrations in this manual are as accurate as known at the time of publication, but are subject to change without notice.
Assembled in the USA with USA and foreign components – REV 20200413
Champion Power Equipment, Inc., Santa Fe Springs, CA USA
INTRODUCTION
Congratulations on your purchase of a Champion Power Equipment (CPE) product. CPE designs, builds, and supports all of our products to strict specifications and guidelines. With proper product knowledge, safe use, and regular maintenance, this product should bring years of satisfying service.
Every effort has been made to ensure the accuracy and completeness of the information in this manual at the time of publication, and we reserve the right to change, alter and/or improve the product and this document at any time without prior notice.
CPE highly values how our products are designed, manufactured, operated, and serviced as well as providing safety to the operator and those around the pressure washer. Therefore, it is IMPORTANT to review this product manual and other product materials thoroughly and be fully aware and knowledgeable of the assembly, operation, dangers and maintenance of the product before use. Fully familiarize yourself, and make sure others who plan on operating the product fully familiarize themselves too, with the proper safety and operation procedures before each use. Please always exercise common sense and always err on the side of caution when operating the product to ensure no accident, property damage, or injury occurs. We want you to continue to use and be satisfied with your CPE product for years to come.
When contacting CPE about parts and/or service, you will need to supply the complete model and serial numbers of your product. Transcribe the information found on your product’s nameplate label to the table below.
CPE TECHNICAL SUPPORT TEAM
1-877-338-0999
MODEL NUMBER
100783
SERIAL NUMBER
——————————————-
DATE OF PURCHASE
————————————————
PURCHASE LOCATION
SAFETY DEFINITIONS
The purpose of safety symbols is to attract your attention to possible dangers. The safety symbols, and their explanations, deserve your careful attention and understanding. The safety warnings do not by themselves eliminate any danger. The instructions or warnings they give are not substitutes for proper accident prevention measures.
DANGER : indicates a hazardous situation which, if not avoided, will result in death or serious injury.
WARNING : indicates a hazardous situation which, if not avoided, could result in death or serious injury.
CAUTION : indicates a hazardous situation which, if not avoided, could result in minor or moderate injury.
NOTICE: indicates information considered important, but not hazard-related (e.g., messages relating to property damage).
IMPORTANT SAFETY INSTRUCTIONS
DANGER
Pressure washer exhaust contains carbon monoxide, a colorless, odorless, poisonous gas. Breathing carbon monoxide will cause nausea, dizziness, fainting or death. If you start to feel dizzy or weak, get to fresh air immediately.
OPERATE PRESSURE WASHER OUTDOORS ONLY IN A WELL VENTILATED AREA AND POINT EXHAUST AWAY.
- DO NOT operate the pressure washer inside any building, including garages, basements, crawlspaces and sheds, enclosure or compartment, including the pressure washer compartment of a recreational vehicle.
- DO NOT allow exhaust fumes to enter a confined area through windows, doors, vents or other openings.
DANGER
Using an engine indoors CAN KILL YOU IN MINUTES. Engine exhaust contains carbon monoxide. This is a poison you cannot see or smell.
- NEVER use inside a home or garage, EVEN IF doors and windows are open.
- ONLY use OUTSIDE and far away from windows, doors, and vents.

Install battery-operated carbon monoxide alarms or plug-in carbon monoxide alarms with battery back-up according to the manufacturer’s instructions.
DANGER
- Rotating parts can entangle hands, feet, hair, clothing and/or accessories.
- Traumatic amputation or severe laceration can result.
- Keep hands and feet away from rotating parts.
- Tie up long hair and remove jewelry.
- Operate equipment with guards in place.
- DO NOT wear loose-fitting clothing, dangling drawstrings or items that could become caught.
WARNING
Running engines produce heat. Severe burns can occur on contact. Combustible material can catch fire on contact.
- DO NOT touch hot surfaces.
- Avoid contact with hot exhaust gases.
- Allow equipment to cool before touching.
- Maintain at least 3 ft. (91.4 cm) of clearance on all sides to ensure adequate cooling.
- Maintain at least 5 ft. (1.5 m) of clearance from combustible materials.
NOTICE
- DO NOT let water in the pump freeze.
- See Storage section in the manual for instructions regarding winter storage.
- If water has frozen in the pressure washer, thaw the pressure washer in a warm room before starting.
- DO NOT pour hot water on or into the pump; internal parts will be damaged and your warranty will be voided.
NOTICE
NEVER run the unit dry.
Be sure the water supply is completely turned on before operating the unit.
WARNING
NEVER spray flammable liquids or use pressure washer in areas containing combustible dust, liquids, or vapor.
NEVER operate this machine in a closed building or in or near an explosive environment.
- DO NOT remove fuel tank cap or fill fuel tank while engine is hot or running (allow engine to cool two minutes before refueling). Always fill the tank slowly.
- NEVER disconnect the high pressure discharge hose from the machine while the system is pressurized.
WARNING
Rapid retraction of the recoil cord will pull hand and arm towards the engine faster than you can let go. Unintentional startup can result in entanglement, traumatic amputation or laceration. Broken bones, fractures, bruises or sprains could result.
When starting engine, pull the recoil cord slowly until resistance is felt and then pull rapidly to avoid kickback. DO NOT start or stop the engine with electrical devices plugged in and turned on.
DANGER
Keep clear of nozzle.
DO NOT point the spray wand at a person, an animal or yourself.
Always wear safety glasses or goggles and protective equipment (hearing protection, gloves, rubber boots, protective clothing) when operating or performing maintenance.
- NEVER put hand or fingers over the spray tip while operating the unit.
- NEVER try to stop or deflect leaks with any body part.
- ALWAYS engage the trigger safety latch in the safe position when spraying is stopped even if only for a few moments.
WARNING
Always wear eye protection with side shields marked to comply with ANSI Z87.1.
Following this rule will reduce the risk of serious personal injury.
NOTICE
Improper treatment or use of the pressure washer can damage it, shorten its life and void your warranty.
Use the pressure washer only for intended uses.
Operate only on level surfaces.
- DO NOT expose pressure washer to excessive moisture, dust, or dirt.
- DO NOT allow any material to block the cooling slots.
- DO NOT use the pressure washer if:
– Equipment sparks, smokes or emits flames
– Equipment vibrates excessively
DANGER
Risk of injection or injury. High pressure jets can be dangerous if subject to misuse.
- DO NOT direct discharge stream at persons, animals, electrical devices, or the machine itself.
- ALWAYS point spray gun in safe direction. Every time you stop the engine, squeeze trigger of spray gun to relieve any trapped pressure.
NOTICE
ONLY use cold water.
NOTICE
Water under high pressure can damage fragile surfaces.
- ALWAYS: practice on a inconspicuous test area to understand when damage may occur.
- DO NOT: Point spray gun at glass.
- NEVER: Point the spray nozzle at persons, animals, electrical devices, plants or the machine itself.
WARNING
Use of pressure washers can create wet walking surfaces. While using a pressure washer, forces from the gun can cause you to loose footing and fall.
- Use only on a level surface.
- Make sure there is proper drainage to dissipate water.
- DO NOT: use on elevated surface where kickback could result in a serious fall.
- ALWAYS grasp the gun with two hands to prevent potential injury do to high pressure from gun.
WARNING
High pressure spray can splash back at operator or propel objects.
- NEVER: allow children to operate any pressure washer or play nearby.
- NEVER: leave spray gun unattended while machine is running or until after engine has been turned off and pressure has been relieved from the spray gun.
- NEVER: repair high pressure hose, replace it.
- NEVER: repair leaking connections with sealant, replace damaged O-rings.
- NEVER: use spray gun with a damaged or altered trigger lock.
- NEVER: secure the trigger in the open / spray position.
- ALWAYS: keep high pressure hose connected to spray gun and pump while in use.
- ALWAYS: be certain that spray gun nozzles and accessories are properly attached to the lance.
- ALWAYS: wear safety goggles when operating this equipment.
- NOTE: Safety goggles cover the sides, top and bottom of the eyes. Don’t confuse safety glasses for goggles.
When adding or removing gasoline:
- DO NOT light or smoke cigarettes.
- Always turn the pressure washer off and let cool for a minimum of two minutes before removing the gasoline cap. Afterwards, loosen gasoline cap to relieve pressure from the gasoline tank.
- Only fill or drain gasoline outdoors in a well-ventilated area.
- DO NOT pump gasoline directly into the pressure washer at the gas station. Always use an approved fuel container to transfer the gasoline to the pressure washer.
- DO NOT overfill the gasoline tank.
- Always keep gasoline away from sparks, open flames, pilot lights, heat and other sources of ignition.
When starting the pressure washer:
- DO NOT attempt to start a damaged pressure washer.
- Always make certain that the gasoline cap, air filter, spark plug, fuel lines and exhaust system are properly secured, connected and in place.
- Always allow spilled gasoline to evaporate fully before attempting to start the engine.
- Make certain that the pressure washer is resting firmly on level ground.
When operating the pressure washer:
- DO NOT move or tip the pressure washer during operation.
- DO NOT tip the pressure washer or allow fuel or oil to spill.
When transporting or servicing the pressure washer:
- Make certain that the fuel valve is in the OFF position and the gasoline tank is empty.
- Disconnect the spark plug wire.
When storing the pressure washer:
- Store away from sparks, open flames, pilot lights, heat and other sources of ignition.
- Do not store pressure washer or gasoline near furnaces, water heaters, or any other appliances that produce heat or have automatic ignitions.
WARNING
Never use a gasoline container, gasoline tank, or any other fuel item that is broken, cut, torn or damaged.
These labels warn you of potential hazards that can cause serious injury. Read them carefully.
If a label comes off or becomes hard to read, contact Technical Support Team for possible replacement.


Safety Symbols
Some of the following symbols may be used on this product. Please study them and learn their meaning. Proper interpretation of these
symbols will allow you to more safely operate the product.


Operation Symbols
Some of the following symbols may be used on this product. Please study them and learn their meaning. Proper interpretation of these
symbols will allow you to more safely operate the product.


Quickstart Label Symbols
Some of the following symbols may be used on this product. Please study them and learn their meaning. Proper interpretation of these
symbols will allow you to more safely operate the product.


These are general engine starting and stopping steps. Refer to Honda’s engine owner/operator manual for additional information. Starting the Engine
- Check oil level.
Recommended oil is 10W-30. - Check gasoline level.
- GC190 models:
Rotate engine switch to “ON” position. - GC160 models:
Move lever up to “ON” or “FAST” position. - Pull the choke lever to the “CHOKE” position.
- Pull the recoil cord.
- As engine warms up to 30 seconds, push the choke lever to
“RUN” position.
Stopping the Engine
- GC190 models – Rotate engine switch to “OFF” position.
- GC160 models – Move lever down to “STOP” position.
CONTROLS AND FEATURES
Read this operator’s manual before operating your pressure washer. Familiarize yourself with the location and function of the controls and features. Save this manual for future reference.




Parts Included

ASSEMBLY
Your pressure washer requires some assembly. This unit ships from our factory without oil. It must be properly serviced with fuel and oil before operation. If you have any questions regarding the assembly of your pressure washer, call our help line at 1-877-338-0999. Please have your serial number and model number available.
Remove the Pressure Washer from the Shipping Carton
- Set the shipping carton on a solid, flat surface.
- Remove everything from the carton except the pressure washer.
- Carefully cut each corner of the box from top to bottom.
Install Wheels, Support Legs, Detergent Tank, Trigger Gun Holder, Handle, and Nozzles Wheels
- Before adding fuel and oil, carefully pivot the pressure washer up and forward so that it rests on the front bumper housing.
Place a piece of cardboard from the packaging or moving blanket on the ground before tipping forward. - Slide the roll pin through the wheel from the outside.
- Slide the roll pin through the mount point on the frame.
- Secure with the R-clip.
- Repeat to attach the second wheel.
- Add wheel caps to protect the roll pins.

Support Legs
- Attach the supports legs to the pressure washer frame with
- 8 x 45 flange bolts and 2 M8 flange lock nuts per leg.
Tighten to 8.8 ft-lb − 10.3 ft-lb (12-14 Nm). - Repeat to attach the second leg.
- Slowly tip the pressure washer back down so that it rests on the support legs.

Detergent Tank
- Slide detergent tank from the back of the frame between the support legs. It will only align one way. If for some reason, you’re unable to align the tank holes to the brackets, reverse out the tank and try the other way.
- Attach to the frame with 2 M6 x 12 flange bolts on each side.
Tighten to 4.4 ft-lb − 5.9 ft-lb (6-8 Nm). Do not overtighten and risk cracking the detergent tank.

Trigger Gun Holder
- Align the trigger gun holder to the frame.
- Attach to the frame with 2 M6 x 45 flange bolts and M6 nuts. Tighten to 8.8 ft-lb − 10.3 ft-lb (12-14 Nm). Do not overtighten.

Handle
- Line up the handle with the bottom frame.
- Make sure the handle holes are lined up with the bottom frame spring button.
- Slide the handle downward on the bottom frame, until the spring buttons have popped through the holes on the handle frame. A “click” may sound.
- Gently pull up on the handle to make sure that two frames have made a solid connection and that the handle cannot be pulled off without pressing on the spring buttons to release it.

Nozzles
1. Nozzles are stored in the top panel. To store the nozzle, press it into the corresponding opening. To remove the nozzle, just pull the nozzle out.

High Pressure Hose Strap
The High pressure hose storage strap is provided to store your hose when not in use. You can store the hose on the pressure washer panel per below instructions or alternatively, use the strap to hang it up on your shop peg board with provided handle on the hose strap.
1. Feed hose strap end through the slot on the upper panel.

2. Coil up the hose up neatly and wrap the strap around the hose.
3. Feed loose end (not handle-end on the hose strap) through the slot of the handle on the hose strap and back again.
4. Attach hook side to loop side as tightly as necessary to hold the hose during storage.
5. Your hose is now stored on your pressure washer.
6. For peg board or shop storage, start with step 2.
Attach the Trigger Gun Assembly
- Attach the spray wand to the trigger gun.
- Rotate (clockwise) the M22 coupler on the trigger gun until the spray wand is secure. Do not overtighten.

3. Connect the end of the high pressure hose to the gun inlet by sliding back the metal collar on the female connector on the high pressure hose. Insert male fitting (on the trigger gun) and release collar. Gently tug on hose to ensure proper connection.

NOTICE
Be careful to avoid cross-threading, which can cause the trigger gun to leak during use.
Connect the High Pressure Hose
- Completely uncoil and straighten the high pressure hose to prevent kinks.
- Align the male end of the high pressure hose to the quick change connector on the high pressure pump.
- Insert the high pressure hose connection into the pump quick change fitting by sliding back the metal collar on the female connector on the high pressure pump and fully insert male fitting (on high pressure hose) and release collar.
- Gently tug on hose to ensure proper connection.

NOTICE
Be careful to avoid cross-threading, which can cause the trigger gun to leak during use.
5. Gently pull on the hose to be certain it is properly secured.
Connect the Garden Hose
The water supply must come from a pressurized water spicket.
NEVER use hot water or water from pools, lakes, etc. Before connecting the garden hose to the pressure washer:
- Run water through the hose for 30 seconds to clean any debris from the hose.
- Inspect the screen and gasket in the water intake.
- If the screen and gasket is damaged, do not use the machine until the screen has been replaced.
- If the screen is dirty, clean it before connecting the garden hose to the machine.
To connect the garden hose to the machine:
- Completely uncoil the garden hose or remove completely from reel to prevent kinks.
NOTICE: There must be a minimum of 10 ft. (3 m) of unrestricted hose between the pressure washer intake and the hose faucet or shut off valve (such as a “Y” shut off connector - With the hose faucet turned completely off, attach the end of the garden hose to the water inlet. Tighten by hand.

NOTICE
Do not run the pressure washer without water supply connected and turned on, as this may damage the high pressure seals and decrease pump life. Completely unwind the hose from its reel or coil and make sure the hose is not being restricted by tires, rocks, or any other objects that may lessen or prevent water flow to the pressure washer.
Add Engine Oil
Refer to Honda’s engine owner/operator manual.
Add Fuel
Refer to Honda’s engine owner/operator manual.
OPERATION
Pressure Washer Location
This pressure washer must have at least 5 ft. (1.5 m) of clearance from combustible material. Leave at least 3 ft. (91.4 cm) of clearance on all sides of the pressure washer to allow for adequate cooling, maintenance and servicing. Place the pressure washer in a well ventilated area. DO NOT place the pressure washer near vents or intakes where exhaust fumes could be drawn into occupied or confined spaces. Carefully consider wind and air currents when positioning pressure washer.
Before Starting the Engine
- Turn the water supply ON.
- Pull the trigger on the trigger gun to purge all air from the pump and hose. This may take several minutes.
- Do not start the engine until a steady stream of water is flowing from the nozzle.
CAUTION
Never operate your pressure washer without water.
Starting the Engine
Refer to Honda’s engine owner/operator manual.
Distance from Cleaning Surface
The distance between the spray nozzle and the cleaning surface is another factor that affects the impact force of the water.
The impact force of the water increases as the nozzle is moved closer to the surface. You can vary the impact force by controlling
- The nozzle’s fan pattern.
- The nozzle’s angle to the cleaning surface.
- The nozzle’s distance from the cleaning surface.
Never use a narrow high impact stream on a surface that is susceptible to damage. Avoid spraying windows with a narrow high impact
stream or turbo nozzle. Doing so may break the glass.
- Before triggering the gun, select a nozzle with a wide fan pattern.
- Place the nozzle approximately 4-5 ft. (1.2 m – 1.5 m) away from the cleaning surface. Then hold the nozzle at a 45 degree angle to
the cleaning surface. Trigger the gun. - Vary the fan pattern spray angle and the distance to the cleaning surface until optimum cleaning efficiency is achieved without
damaging the surface.
Use the following table to determine which nozzle to use.

High Pressure Wash
CAUTION
Always engage the trigger safety latch when the unit is not in use.
The trigger safety latch prevents the gun from being triggered accidentally. Push the latch fully down to engage it.
WARNING
Injection hazard.
Fully unwrap and straighten high pressure hose prior to and during each use and do not allow it to become kinked. The high pressure hose features an outer covering that provides strength to the hose. If the outer covering becomes damaged, stop using the hose and replace it immediately. A kinked or damaged hose can develop a high pressure leak and result in a possible injection or other serious personal injury.
NOTICE
If the starter grip and rope becomes difficult to pull, squeeze the trigger to relieve water pressure before attempting to start the engine again.
For high pressure cleaning, refer to the Nozzle Selection Guide for more information about which quick connect nozzle to choose.
CAUTION
The narrow high impact spray can damage some surfaces.
A wide fan pattern distributes the impact of the water over a larger area resulting in excellent cleaning action with reduced risk of surface damage. Clean large surface areas quickly using a wide fan pattern.
Low Pressure Wash
Detergent Use
The use of detergents can dramatically reduce cleaning time and assist in the removal of difficult stains. Many detergents are customized for pressure washer use on specific cleaning tasks. Pressure washer detergents are as thick as water.
Using thicker detergents – like dish soap – will clog the chemical injection system.
NOTICE
Use only detergents designed for pressure washers.
Do not use household detergents, acids, alkalines, bleaches, solvents, flammable material, or industrial grade solutions, which can damage the pump or cause property damage. Many detergents may require mixing prior to use. Prepare cleaning solution as instructed on the solution bottle. Always test in an inconspicuous area before beginning.
You can effectively clean surfaces by combining the chemical action of detergents with high pressure rinses. On vertical surfaces, apply the detergent starting at the bottom and work your way upward. This method prevents the detergent from sliding down and causing streaks. Begin high pressure rinsing at the bottom and work your way upward. On particularly tough stains, use a brush in combination with detergents and high pressure rinsing.
1. Fill the detergent tank with cleaning solution.

2. Insert the detergent suction hose (end with the filter) through the detergent tank cap until it goes all the way to the bottom of the detergent tank.

3. Uncoil the rest of the detergent suction hose.
4. Connect the other end of the detergent suction hose to the detergent barb on the pump.

WARNING
NEVER use bleach in detergent tank. It will damage the pump and void the warranty.
NOTICE
The trigger gun will only draw detergent from the tank when the black quick connect nozzle is installed in the wand.
NOTICE
When spraying detergent, the detergent will be diluted 1:12.
Approximately 20.3 oz. (0.6 L) of detergent will be consumed from the tank for every minute sprayed.
System Flush
After using detergents, flush the suction system by placing the detergent suction tube into a bucket of clean water.
WARNING
NEVER turn the water supply off before turning the engine off.
Depressurize System
To depressurize, turn engine off, turn water supply off and squeeze gun trigger for at least 15 seconds after engine is turned off.
WARNING
NEVER disconnect the high pressure discharge hose from the machine while the system is pressurized.
To reduce the risk of bodily injury or property damage, always follow this procedure whenever spraying is stopped, when work is completed, and before checking or repairing any part of the system.
- Engage the trigger gun lock out.
- Turn the unit off.
- Shut off the water supply.
- Disengage the trigger safety latch and trigger the gun to relieve pressure.
- Re-engage the trigger safety latch.
- Before overnight storage, long term storage, or transporting unit, disconnect the water supply and turn off the fuel supply valve.
Operating Tips
CAUTION
Never operate your pressure washer without water.
CAUTION
Never connect your pressure washer to a hot water supply.
Connecting your pressure washer to a hot water source will significantly reduce the life of the pump and will void the warranty.
CAUTION
Running the unit for more than one minute without spraying water causes heat to build up in the pump.
In the event that the pump gets too hot, a thermal relief valve will open to release the hot water. Running the unit without spraying water can damage pump components and will void the warranty.
System Flush
After using detergents, flush the suction system by placing the detergent suction tube into a bucket of clean water.
WARNING
NEVER turn the water supply off before turning the engine off.
Depressurize System
To depressurize, turn engine off, turn water supply off and squeeze gun trigger for at least 15 seconds after engine is turned off.
WARNING
NEVER disconnect the high pressure discharge hose from the machine while the system is pressurized.
Stopping the Engine
- After stopping the engine per Honda’s owner/operator manual, depressurize system by pressing the trigger gun to release any trapped pressure.
- Turn off water supply and disconnect all hoses.
Important: Always ensure that the fuel valve and the engine switch are in the “OFF” position when the engine is not in use.
NOTICE
If the engine will not be used for a period of two (2) weeks or longer, please see the Storage section for proper engine and fuel storage.
Operation at High Altitude Refer to Honda’s engine owner/operator manual.
MAINTENANCE
Make certain that the pressure washer is kept clean and stored properly. Only operate the unit on a flat, level surface in a clean, dry operating environment. DO NOT expose the unit to extreme conditions, excessive dust, dirt, moisture or corrosive vapors.
WARNING
Never operate a damaged or defective pressure washer.
WARNING
Improper maintenance will void your warranty.
NOTICE
For Emissions control devices and systems, read and understand your responsibilities for service as stated in the Honda Engine Emission Control Warranty Statement of the owner/operator’s manual.
The owner/operator is responsible for all periodic maintenance. Complete all scheduled maintenance in a timely manner. Correct any issue before operating the pressure washer.
For service or parts assistance, contact our help line at 1-877-338-0999.
For engine maintenance, refer to Honda’s engine owner/operator manual.
Cleaning the Pressure Washer
CAUTION
DO NOT spray the pressure washer with water.
Water can contaminate the fuel system and can enter the engine through the cooling slots and damage the engine.
- Use a damp cloth to clean exterior surfaces of the pressure washer.
- Use a soft bristle brush to remove dirt and oil.
- Use an air compressor (25 PSI) to clear dirt and debris from the pressure washer.
- Inspect all air vents and cooling slots to ensure that they are clean and unobstructed.
Cleaning Spray Nozzle
Detach the quick connect nozzle from the wand. Use a small wire rod (paper clip) to loosen up any particles in the quick connect nozzle and flush with water.

To prevent accidental starting, remove and ground spark plug wire before performing any service.
Changing the Engine Oil
Refer to Honda’s engine owner/operator manual. Cleaning and Adjusting the Spark Plug(s) Refer to Honda’s engine owner/operator manual.
Cleaning the Air Filter
Refer to Honda’s engine owner/operator manual.
Cleaning the Spark Arrester
- If so equipped, allow the engine to cool completely before
servicing the spark arrester. - Refer to Honda’s engine owner/operator manual.
Maintenance Schedule
Refer to Honda’s engine owner/operator manual.
STORAGE
Refer to the Maintenance section for proper cleaning instructions.
Pressure Washer Storage
- Allow the pressure washer to cool completely before storage.
- Turn off the fuel supply at the fuel valve.
- Clean the pressure washer according to the instructions in the Maintenance section.
- Store the unit in a clean, dry area out of direct sunlight.
Engine Storage
Refer to Honda’s engine owner/operator manual.
Winter Storage
Protect your pressure washer parts from freezing.
- Apply all storage instructions from previous sections.
- Make sure pressure washer hose is free of all water before storing for winter.
- In order to prevent the pump from freezing you will need to insert RV antifreeze.
- You will need approximately 6 oz. (177.4 mL) of RV antifreeze, a funnel, and approximately 12 in. (30.5 cm) of garden hose or equivalent.
- Pour the antifreeze into the funnel connected to the pump inlet with a small hose, then pull on the recoil starter to create suction in the pump housing. Pull the recoil several times until antifreeze comes out of the pump outlet.
WARNING
Never store the pressure washer inside or next to appliances where there is a source of heat or open flame, spark or pilot light because they can ignite gasoline vapors.
DO NOT store a pressure washer near fertilizer or any corrosive material.
Even with an empty gas tank, gasoline vapors could ignite.
DANGER
Engine exhaust contains odorless and colorless carbon monoxide gas.
To avoid accidental or unintended ignition of the product during periods of storage, the following precautions should be followed:
- When storing the pressure washer for short or long periods of time make sure that the engine switch and the fuel valve are set in the “OFF” position.
SPECIFICATIONS
Pressure Washer Specifications
Model.. . . . . . . . . . . . . . . . . . . . . . . . . . . . . . . . . . . . . . . . . . . . . . . . . . . . . . . 100783
Max Pressure.. . . . . . . . . . . . . . . . . . . . . . . . . . . . . . . . . . . . . . . . . . . . . . 3200 PSI
Max Volume.. . . . . . . . . . . . . . . . . . . . . . . . . . . . . . . . . . . . . . . . . . . . . . . . 2.5 GPM
Max Water Temperature (°F/°C).. . . . . . . . . . . . . . . . . . . . . . . . . . . . 104/40
Weight.. . . . . . . . . . . . . . . . . . . . . . . . . . . . . . . . . . . . . . . . . . . . . . . . 62 lb. (28 kg)
Length.. . . . . . . . . . . . . . . . . . . . . . . . . . . . . . . . . . . . . . . . . . 41.5 in. (105.4 cm)
Width .. . . . . . . . . . . . . . . . . . . . . . . . . . . . . . . . . . . . . . . . . . . . 19.5 in. (49.5 cm)
Height.. . . . . . . . . . . . . . . . . . . . . . . . . . . . . . . . . . . . . . . . . . . . . 27.1 in. (68.9 cm)
Engine Specifications
Refer to Honda’s engine owner/operator manual.
Spark Plug
Refer to Honda’s engine owner/operator manual.
Valve
Refer to Honda’s engine owner/operator manual.
Oil Specifications
Refer to Honda’s engine owner/operator manual.
Fuel Specifications
Refer to Honda’s engine owner/operator manual.
Temperature Specifications
Refer to Honda’s engine owner/operator manual.
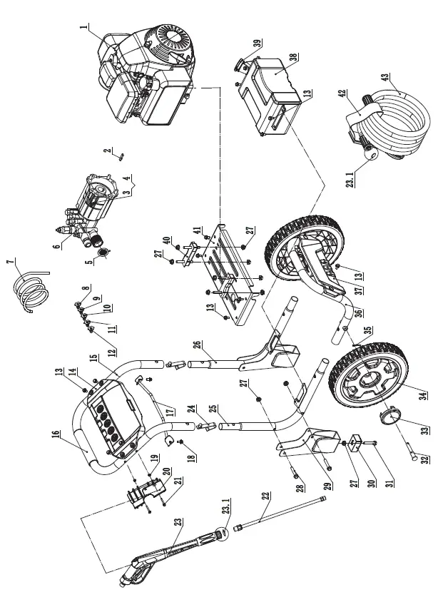
Parts Diagram

Parts List

TROUBLESHOOTING


For other issues and technical support:
Technical Support Team
Toll Free 1-877-338-0999
[email protected]
WARRANTY*
CHAMPION POWER EQUIPMENT
2 YEAR LIMITED WARRANTY
Warranty Qualifications
To register your product for warranty and FREE lifetime call center
technical support please visit:
https://www.championpowerequipment.com/register
To complete registration you will need to include a copy of the
purchase receipt as proof of original purchase. Proof of purchase
is required for warranty service. Please register within ten (10)
days from date of purchase.
Repair/Replacement Warranty
CPE warrants to the original purchaser that the mechanical and electrical components will be free of defects in material and workmanship for a period of two years (parts and labor) from the original date of purchase and 90 days (parts and labor) for commercial and industrial use. Transportation charges on product submitted for repair or replacement under this warranty are the sole responsibility of the purchaser. This warranty only applies to the original purchaser and is not transferable.
Do Not Return The Unit To The Place Of Purchase
Contact CPE’s Technical Service and CPE will troubleshoot any issue via phone or e-mail. If the problem is not corrected by this method, CPE will, at its option, authorize evaluation, repair or replacement of the defective part or component at a CPE Service Center. CPE will provide you with a case number for warranty service. Please keep it for future reference. Repairs or replacements without prior authorization, or at an unauthorized repair facility, will not be covered by this warranty.
Warranty Exclusions
This warranty does not cover the following repairs and equipment:
- Normal Wear
- Products with mechanical and electrical components need periodic parts and service to perform well. This warranty does not cover repair when normal use has exhausted the life of a part or the equipment as a whole.
- Installation, Use and Maintenance
- This warranty will not apply to parts and/or labor if the product is deemed to have been misused, neglected, involved in an accident, abused, loaded beyond the product’s limits, modified, installed improperly or connected incorrectly to any electrical component.
- Normal maintenance is not covered by this warranty and is not required to be performed at a facility or by a person authorized by
Other Exclusions
This warranty excludes:
- Cosmetic defects such as paint, decals, etc.
- Wear items such as filter elements, o-rings, etc.
- Accessory parts such as high pressure hoses, spray nozzles, wands or guns.
- Failures due to acts of God and other force majeure events beyond the manufacturer’s control.
- Problems caused by parts that are not original Champion
Power Equipment parts.
When applicable, this warranty does not apply to products used for prime power in place of a utility.
Limits of Implied Warranty and Consequential Damage
Champion Power Equipment disclaims any obligation to cover any loss of time, use of this product, freight, or any incidental or consequential claim by anyone from using this product.
THIS WARRANTY AND THE ATTACHED U.S. EPA and/or CARB EMISSION CONTROL SYSTEM WARRANTIES (WHEN APPLICABLE) ARE IN LIEU OF ALL OTHER WARRANTIES, EXPRESS OR IMPLIED, INCLUDING WARRANTIES OF MERCHANTABILITY OR FITNESS FOR A PARTICULAR PURPOSE.
A unit provided as an exchange will be subject to the warranty of the original unit. The length of the warranty governing the exchanged unit will remain calculated by reference to the purchase date of the original unit.
This warranty gives you certain legal rights which may change from state to state or province to province. Your state or province may also have other rights you may be entitled to that are not listed within this warranty.
Contact Information
Address
Champion Power Equipment, Inc.
12039 Smith Ave.
Santa Fe Springs, CA 90670 USA
www.championpowerequipment.com
Customer Service
Toll Free: 1-877-338-0999
[email protected]
Fax no.: 1-562-236-9429
Technical Service
Toll Free: 1-877-338-0999
[email protected]
24/7 Tech Support: 1-562-204-1188
*Except as otherwise stipulated in any of the following enclosed Emission Control System Warranties (when applicable) for the Emission Control System: U.S. Environment Protection Agency (EPA) and/or California Air Resources Board (CARB



















