1111 Big Bite 10lb Stainless Steel Vertical Stuffer
Product Information
The vertical stuffer is a domestic use product designed to make sausage stuffing easy and efficient. The product comes with a 5-year warranty and should be used with the supplied accessories only. Any broken components or improper operation of the stuffer should be reported to LEM Products at 877-536-7763. The product is heavy, and proper lifting techniques should be used when handling it. It should be used on a stable surface to prevent tipping, and clamps should be used to secure it before use. The handle is not permanently attached and should be removed before moving the product.
Product Usage Instructions
- Before using the stuffer for the first time, read through the operating instructions and safety advice thoroughly.
- Ensure that the product is properly assembled and safely set up before use. Refer to the assembly instructions in the manual for guidance.
- Handle the stuffer carefully and keep fingers and loose objects away from moving parts. Tie back loose hair and clothing, remove neckties, rings, watches, bracelets, and all other jewelry before using the unit.
- Thoroughly hand-wash all removable parts in warm soapy water before use. Do not soak the parts as discoloration may occur. The parts are not dishwasher safe.
- Use the stuffer only with the supplied accessories. The use of attachments not recommended or sold by the manufacturer may cause injury, damage to personal property, and may void your warranty.
- Do not use while under the influence of alcohol or drugs (prescription or non-prescription) as these may impair your ability to properly assemble or safely operate the product.
- Use the stuffer on a level, stable surface to prevent tipping. Secure the product with clamps on the surface before use. Never move the product while it is in use.
- Check for damaged parts before using the product. Ensure that all parts are operating properly and performing the intended functions. Check for binding of moving parts, mounting, and any other conditions that may apply.
- Never operate the stuffer with the Gear Housing Cover opened or removed.
- Do not use excessive force when cranking the stuffer handle. If the stuffer crank requires excessive force to turn, stop turning and review the troubleshooting instructions on page 3 and sausage making instructions on page 4 of the manual. Do not proceed until excessive force is no longer required to turn the stuffer crank.
- The product is not recommended for use near or by children or persons with certain disabilities without proper supervision. Set up and store the product out of reach of children. When not in use, store the device in a secure dry place out of reach of children.
- The manufacturer declines any responsibility in the case of improper use of this product. Improper use of this product voids the warranty.
- Common sense must be used when operating the stuffer as the warnings, cautions, and instructions discussed in the instruction manual cannot cover all possible conditions or situations that could occur.
CAUTION
Before using the stuffer for the first time please make sure to read carefully and thoroughly through these operating instructions and the safety advice. Familiarize yourself completely with the functions of this product.
GENERAL WARNINGS AND SAFETY INFORMATION
- Always ensure that the product is properly assembled and safely set up before use. Read assembly instructions in manual.
- Handle is not permanently attached. Remove Handle prior to moving product.
- Any time you complete stuffing or raise the Piston out of the Cylinder, release the Handle slowly. Pressure or gravity could cause the Handle to spin back causing injury.
- The product is designed exclusively for domestic use and not for commercial purposes.
- Use the product with the supplied accessories only. WARNING: The use of attachments not recommended or sold by the manufacturer may cause injury, damage to personal property, and may void your warranty.
- WARNING: Do not use while under the influence of alcohol or drugs (prescription or nonprescription) as these may impair user’s ability to properly assemble or safely operate the product.
- Thoroughly hand-wash all removable parts in warm soapy water prior to use. Do not soak. NOT DISHWASHER SAFE (discoloration may occur).
- Use product on a level, stable surface to prevent tipping. Secure product with clamps on surface prior to use. Never move the product while unit is in use.
- Check for damaged parts before using the product. Check that all parts are operating properly and perform the intended functions. Check for binding of moving parts, mounting and any other conditions that may apply.
- Never operate the product with the Gear Housing Cover opened or removed.
- DO NOT USE EXCESSIVE FORCE WHEN CRANKING THE STUFFER HANDLE. If Stuffer crank requires excessive force to turn, stop turning! Review Trouble Shooting on Page 3 and Sausage Making Instructions on page 4 of this manual. DO NOT PROCEED UNTIL EXCESSIVE FORCE IS NO LONGER REQUIRED TO TURN THE STUFFER CRANK.
- Product is heavy, use proper lifting technique.
- Keep your work area clean and well lit. Cluttered work benches and dark work areas may cause accidents or injury.
- Handle carefully! Keep fingers and loose objects away from moving parts.
- Tie back loose hair and clothing. Remove neckties, rings, watches, bracelets and all other jewelry before operating the unit.
- CAUTION: This product is not recommended for use near or by children or persons with certain disabilities without proper supervision. Set up and store the product out of reach of children. When not in use, store device in a secure dry place out of reach of children.
- The manufacturer declines any responsibility in the case of improper use of this product. Improper use of this product voids the warranty.
- WARNING: The warnings, cautions, and instructions discussed in this instruction manual cannot cover all possible conditions or situations that could occur. It must be understood by the operator that common sense must be used.
- Avoid contacting moving parts.
- SAVE THESE INSTRUCTIONS
IMPORTANT WARRANTY INFORMATION PLEASE READ FILL OUT AND RETURN ENCLOSED WARRANTY CARD
THIS WARRANTY COVERS
WARRANTY DURATION:
from the original purchase date. EACH UNIT COMES WITH A WARRANTY CARD, WHICH MUST BE FILLED OUT COMPLETELY AND RETURNED IMMEDIATELY, WITH A COPY OF THE PURCHASING RECEIPT. FAILURE TO RETURN YOUR WARRANTY CARD WILL LIMIT WARRANTY TO 90 DAYS WITH PROOF OF PURCHASE.
WARRANTY COVERAGE:
This product is warranted against defective materials or workmanship. The service or repairs by unauthorized personnel. It is also void if damaged in shipment or by other causes not arising out of defects in the materials or workmanship. This warranty does not extend to any units which have been in violation of written instructions furnished. This warranty covers only the product and its
WARRANTY DISCLAIMERS:
This warranty is in lieu of all warranties expressed or implied, and no representative or person is authorized to assume any other liability in connection with the sale of our products. There shall be no claims for defects or failure of performance under any theory of sort, contract or commercial law including, but not limited to negligence, gross negligence, strict liability or breach of contract. The manufacturer declines all responsibility for damage to persons, things or animals arising from the failure to comply with the norms contained in this manual. The manufacturer reserves the right herein. The manufacturer also declines all responsibility for any errors in compiling this manual.
WARRANTY PERFORMANCE:
During the above warranty period, a product with a defect will either be repaired or replaced after the product has been inspected by an LEM Service Technician. LEM RESERVES THE RIGHT TO REFUSE WARRANTY PERFORMANCE OR PRODUCT EVALUATION UNLESS THE ORIGINAL SALES RECEIPT OR THE WARRANTY CARD IS ON FILE. The repaired product will be in warranty for the balance of the warranty period. No charge will be made for such repair or replacement.
IMPORTANT NOTICE:
If any parts are missing or defective, please contact our Customer Service Department for assistance at 877-536-7763. (M-F 8:30am to 4:30pm EST) DO NOT RETURN TO THE STORE WHERE THE PRODUCT WAS PURCHASED.
LEM PRODUCTS MERCHANDISE RETURN POLICY WARRANTY SERVICE:
To obtain service under terms of this warranty, please contact us at 877-536-7763 to obtain authorization prior to returning the merchandise. No merchandise will be accepted without prior authorization. Please return the product pre-paid in the original packaging if possible, enclose a copy of your receipt, (Keep a copy of your proof-of purchase for your records.) and include a written explanation of the issue. Ship to LEM Products, 4440 Muhlhauser Rd., Suite 300, West Chester, OH 45011. LEM Products is not responsible for damage incurred in shipping, make certain to pack product properly. Return shipping charges are the responsibility of the purchaser. Packages returned to LEM should be insured for the value of the product to cover any damages that may occur during shipping.
TROUBLESHOOTING
Stuffer is hard to crank:
- Sausage mixture has become too stiff. Add water to mix.
WARNING: Do not use excessive force to crank the handle. Handle may flip back and cause injury! - Use the largest tube for the sausage casings you are using so the meat can flow freely. Add lubricant (mineral oil or vegetable oil) to the Piston Gasket and the interior of the Cylinder.
- Insure the Cylinder is put on the base facing the correct direction. (refer to reassembly directions).
- Main Shaft may be out of alignment. Find the 14mm bolts located on either side of the gear box housing. Loosen, but do not completely unscrew all 4 bolts. Crank the Piston to the bottom of the Cylinder and re-tighten the 4 bolts. This will realign the Main Shaft, Gears and Piston.
Meat is passing by the Piston:
- Gasket is not installed.
- Gasket is installed on the Piston incorrectly (Refer to Assembly directions).
- Gasket needs to be lubricated.
- Main Shaft may be out of alignment.
Find the 14mm bolts located on either side of the gear box housing. Loosen, but do not completely unscrew, all 4 bolts. Crank the Piston to the bottom of the cylinder and re-tighten the 4 bolts. This will realign the Main Shaft, Gears and Piston.
Casings are bursting when filling:
- Casings are old and brittle.
- Casings were not soaked long enough.
- Casings were soaked too long.
- Casings should not have been soaked.
- Casings were filled too tightly.
- Stuffing Tube has a burr and is puncturing the casing.
- Stuffing tube is too large for casings.
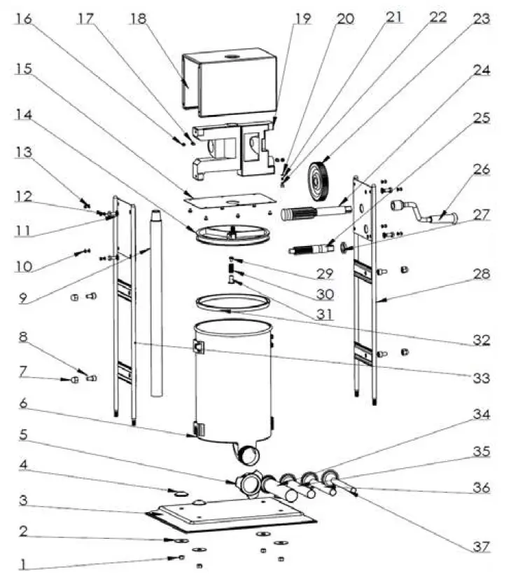
PARTS DESCRIPTION

| # | DESCRIPTION | QTY | # | DESCRIPTION | QTY |
| 1 | M10 Nut | 4 | 20 | Ball Bearing | 1 |
| 2 | 40mm SS Washer | 4 | 21 | Spring | 1 |
| 3 | Stuffer Base | 1 | 22 | M5 Screw Allen | 1 |
| 4 | Washer | 4 | 23 | Gear | 1 |
| 5 | Retaining Ring | 1 | 24 | Large Gear Shaft | 1 |
| 6 | Cylinder | 1 | 25 | Small Gear Shaft | 1 |
| 7 | M10 Acorn Nut | 4 | 26 | Handle | 1 |
| 8 | M10 Allen Head Screw | 4 | 27 | Ring/ C-Clip | 1 |
| 9 | Main Shaft | 1 | 28 | Right Solid Plate | 1 |
| 10 | M5 Screw-Phillips | 14 | 29 | M6 Air Release Screw | 1 |
| 11 | Washer | 4 | 30 | Air Release Spring | 1 |
| 12 | M8 Screw | 4 | 31 | M6 Air Release Pin | 1 |
| 13 | Washer | 8 | 32 | Piston Gasket | 1 |
| 14 | Piston | 1 | 33 | Left Solid Plate | 1 |
| 15 | Bottom Plate | 1 | 34* | 38mm Stuffing Tube (1 ½”) | 1 |
| 16 | M5 Allen Head Screw | 2 | 35* | 25mm Stuffing Tube (1”) | 1 |
| 17 | M5 Nut | 2 | 36* | 19mm Stuffing Tube (3/4”) | 1 |
| 18 | Gear Box Cover | 1 | 37* | 16mm Stuffing Tube (5/8”) | 1 |
| 19 | Gear Base | 1 | 38* | Set of Tubes |
WARNING
HANDLE CAREFULLY KEEP FINGERS AND LOOSE OBJECTS AWAY FROM MOVING PARTS!
CAUTION
Always ensure that the product is properly assembled and safely set up before use. Read assembly instructions in manual.
This product is not recommended for use near or by children or persons with certain disabilities without proper supervision. Set up and store the product out of reach of children. When not in use, store device in a secure and dry place out of reach of children.
SAUSAGE MAKING
Before using the Stuffer, always apply a food-grade lubricant to the inside of the Cylinder and Gasket to decrease the friction.
- Collect ingredients: ground meat, ground pork or pork fat, your choice of sausage seasonings, cure (if used) and casings. (LEM carries a wide variety of casings, sausage seasonings, cure and other sausage enhancers.)
- LEM suggests using a 80/20 ratio of lean meat to pork or pork fat. This ratio will make for a juicy sausage.
- Combine meat with pork, seasonings (and cure if used), and 1oz. of water per pound of meat being mixed. Water will not weaken the flavor but allow the meat to flow more freely through the stuffer and tube.
- After meat is mixed, immediately begin the stuffing process. Meat mixed with the seasoning will quickly “set up” and become difficult to work with, which will cause undue stress on the Stuffer Gears.
- Lower the Piston until meat begins to extrude from the Stuffing Tube.
- Slide casings onto proper size Stuffing Tube.
- Lower the Piston until the meat comes to the end of the Stuffing Tube. Twist or tie off casing.
- Fill casings until firm. If twisting into links is desired, you can do so as you fill or after the entire casing is filled. If the latter is desired do not over fill casing or it may burst upon twisting.
- Follow cleaning instructions.
CLEANING, ASSEMBLY & PROPER USE
DISASSEMBLY:
- Remove the Retaining Ring (#5) and Stuffing Tube (#34-37) from the Cylinder (#6).
- To assist in removing excess meat from the Stuffing Tube tightly twist a corner of a paper towel, insert the twisted end into the Stuffing Tube and push meat out. A small wooden dowel or other straight, dull object is also helpful for this task.
- Attach the Handle (#26) to the Large Gear Shaft (#24) and crank the Handle clockwise until the Piston (#14) is free of the Cylinder.
- Remove the Handle from the stuffer.
- Tilt the Cylinder back. Remove any leftover meat from the bottom of the Cylinder and fry up a sausage burger to enjoy during clean up!
- Lift and remove the Cylinder from the inner Allen Head Screws (#8).
- Unscrew the Piston from the Main Shaft (#9) by turning it clockwise.
CAUTION: Piston is made of metal and is heavy, be prepared to catch the Piston when it is released from the Shaft.
- With your fingers or other dull object, such as the tip of a spoon, carefully remove the Piston Gasket (#32) from the Piston (#14). Note: Take time to notice how the gasket is installed. It is very important to properly install the gasket upon reassembly. If gasket is not properly installed you may have meat passing by the piston.
- With a Phillips screwdriver remove the Air Release Screw (#29), Spring (#30) and Pin (#31) from the piston.
- Wash all parts in hot soapy water and hand dry.
- With a clean, damp cloth wipe down the stuffer stand and gear box. Do not use abrasive detergent. Wipe dry.
Prior to first use, hand wash unit in warm soapy water. Hand Dry. Do not wash in dishwasher.
ASSEMBLY
- Replace the Piston Gasket on the Piston.
- Notice the Gasket is “U” shaped. The groove of the “U” should be facing down towards the meat when in use. Insert the longer edge of the “U” into the bottom groove on the Piston. While gently stretching, press the Gasket into the groove all the way around the Piston. Lightly grease the Gasket with vegetable oil, mineral oil or silicone spray.
- Reassemble the Air Release Valve by placing the Spring over the Pin, inserting this assembly into the bottom of the Piston and tightening the Screw.
- Screw will be tight but Valve will move freely when pressed.
- Return assembled Piston to the Main Shaft by screwing on counter-clockwise.
- Turn until hand tight.
- Return Handle to Large Gear Shaft and crank Piston to the upmost position.
- Place the Cylinder on the frame by lining up the bottom mounting brackets on the Cylinder with the Allen Head Screws on the Solid Plates (#28 & 33). The Allen Head Screws are not centered on the Plates. They are located closer to the front of the stuffer. Insert Cylinder from the back.
- When properly assembled the Tube will face towards the front of the stuffer under the LEM logo.
- With the Gear Shafts towards you the Stuffing Tube will be on your left.
- CAUTION: It is very important to assemble the Cylinder correctly. Damage to the Main Shaft, Piston, Gasket and Gears may occur and may void your warranty.
- Tilt the Cylinder in the upright position until you hear it click into place.
LEM Products • West Chester, OH 45011 • PH: 877-536-7763 • lemproducts.com





















