newWORLD NWLS50DCW 50cm Ceramic Freestanding Cooker

You’ll soon be enjoying your new Freestanding Cooker It all begins here, with your instructions. Don’t worry, there’s nothing too technical coming up. Just simple, step-by-step guidance to get you up and running quickly. Sound good? Then let’s get started.
Safety information
Important – Please read these instructions fully before installing or operating
INSTALLATION WARNINGS
IMPORTANT: Prior to Installation ensure that the local supply conditions (electricity voltage and frequency) are compatible with the requirements of your freestanding cooker.
IMPORTANT: Carefully unpack and examine the appliance for any damage. If you think there is a defect, do not use the appliance and contact NEWWORLD Product Support on 0333 305 2263. Packaging materials should be collected together and disposed of immediately as they maybe harmful to children.
IMPORTANT: Keep the electrical cable (not supplied) of your freestanding cooker away from the hot areas of your appliance, do not let the cable touch the appliance. Keep the cable away from sharp edges and heated surfaces.
MPORTANT: Ensure that the electric supply cable is not trapped or damaged during installation.
IMPORTANT: In the event that the cable connecting your freestanding cooker becomes damaged, it must be replaced by a suitably qualified person. This cable must not be replaced by an Unauthorised person.
IMPORTANT: Protect your freestanding cooker against atmospheric effects. Do not expose your cooker to effects such as sun, rain, snow etc.
IMPORTANT: The materials surrounding the appliance (cabinets) must be able to withstand a minimum temperature of 100°C.
IMPORTANT: When using your oven for the first time your cooker may give off an unusual odour from the heating elements and insulation materials. To eliminate this odour run the oven at 250 degrees for 40-60 minutes with the oven empty.
DURING USAGE
IMPORTANT: This appliance can be used by children aged from 8 years and above and persons with reduced physical, sensory or mental capabilities or lack of experience and knowledge if they have been given supervision or instruction concerning use of the appliance in a safe way and understand the hazards involved. Children shall not play with the appliance. Cleaning and user maintenance shall not be made by children without supervision.
WARNING: The appliance and its accessible parts become hot during use. Care should be taken to avoid touching heating elements.
WARNING: NEVER try to extinguish a cooking fire with water. Instead switch off the appliance and cover flame e.g with a lid or a fire blanket.
CAUTION: Do not allow children in the kitchen when cooking or after, as the parts may still be hot. Many parts of the cooker will become hot and present a considerable hazard to children.
CAUTION: When the cooker is hot never touch the oven glass by hand or with tools.
CAUTION: Before starting to use your appliance, ensure curtains, paper or flammable items are kept away from your appliance. Do not keep flammable materials inside of or around your cooker.
CAUTION: Take care when closing the oven door that there is nothing obstructing it from closing as this may break the glass door.
IMPORTANT: When using the grill the oven door must be kept closed.
Safety information
Important – Please read these instructions fully before installing or operating
WARNING: Before obtaining access to terminals, all supply circuits must be disconnected.
IMPORTANT: Make sure the oven control knobs are all in the off position when not in use.
IMPORTANT: If you do not intend to use your builtin oven for a long period of time then turn off the electric supply to the oven.
GENERAL SAFETY WARNINGS
IMPORTANT: This appliance has been designed for non-professional, domestic use only. Do not use this oven for commercial use or any other application e.g room heating.
WARNING: Danger of fire: do not store flammable items on or near the cooking surfaces or inside the oven.
IMPORTANT: Do not try to lift or move this appliance by pulling on the door handle.
WARNING: Ensure that the appliance is switched off before replacing the lamp to avoid the possibility of electric shock.
IMPORTANT: Your appliance is produced in accordance with all applicable local and international standards and regulations.
IMPORTANT: Maintenance and repair work must only be performed by authorised service technicians. Installation and repair work that is carried out by Unauthorised technicians is dangerous and could invalidate your guarantee.
IMPORTANT: When the door of the oven is open, do not hang or lean anything on it. You may unbalance your appliance or damage the door or door hinges.
IMPORTANT: Do not hang towels, dishcloths or clothes from the cooker or its handles.
CLEANING AND MAINTENANCE
IMPORTANT: Always turn the appliance off before operations such as cleaning or maintenance. You can do this by switching the freestanding cooker off using the cooker isolation switch
IMPORTANT: Do not remove the control knobs to clean the control panel.
WARNING: Do not use harsh abrasive cleaners or sharp metal scrapers to clean the oven door glass since they can scratch the surface, which may result in shattering of the glass.
WARNING: Do not clean your oven with a steam cleaner.
TO MAINTAIN THE EFFICIENCY AND SAFETY OF YOUR APPLIANCE, WE RECOMMEND YOU ALWAYS USE OUR AUTHORISED SERVICE AGENTS AND ORIGINAL SPARE PARTS.
FOR ASSISTANCE CALL NEW WORLD PRODUCT SUPPORT 0333 305 2263.
Getting to know your Freestanding Cooker
You’ll be up and running in no time
Ready? Let’s begin …
Please read these instructions carefully. They contain important information which will help you get the best from your freestanding cooker and ensure safe and correct installation and operation
If you require any further assistance, our technical experts are happy to help For full details, refer to the product support section at the end of these instructions.
Getting to know your Freestanding Cooker
You’ll be up and running in no time
Overview

- Hob
- Cooking zone
- Control Panel
- Shelf position
- Wire Shelf
- Oven Door
- Shelf position
- Wire Shelf
- Door seal
- Baking tray
- Oven Door
- Hinge
- Anti slip feet
Getting to know your Freestanding Cooker
You’ll be up and running in no time
Accessories

- 1 x Baking tray
- 1 x Grill insert
- 1 x Grill pan handle
- 2 x Chrome shelves
Installing your Freestanding Cooker
Bringing it all together
Installation requirements
THIS COOKER MUST BE INSTALLED BY A QUALIFIED INSTALLER IN ACCORDANCE WITH LOCAL REGULATIONS R\.
IMPORTANT: CONTACT AN AUTHORISED SERVICE AGENT FOR INSTALLATION OF YOUR FREESTANDING COOKER!
Positioning
- Make sure that there are no combustible or flammable materials, such as curtains, in the vicinity of the installation.
- Furniture and cabinets surrounding the cooker must be of material resistant to temperatures greater than 100°C.
- Surrounding furniture, cabinets and extractor fans should be positioned in accordance with the diagram shown in the figure
- There must be at least 2cm of free space between the back wall and the rear of the appliance to allow for ventilation and air circulation.
- lf fitted, the extractor fan must be at least 65cm above the hotplates. If no fan is fitted the minimum distance between the hotplates and any cabinet or other structure must be 75cm.
Levelling feet
The height and level of the appliance can be adjusted by rotating the feet located underneath the appliance at each corner. Rotate the feet to decrease or increase the height.
Safety chain
The appliance must be secured against the possibility of tipping forward by using the supplied safety chains attached to the rear of your oven.
Fasten the stability hook provided by inserting a wall plug into the kitchen wall and then connect the safety chain to the hook via the locking mechanism

- Safety chain (supplied and mounted to oven)
- Stability hook
- Chain attachment for the rear of the cooker
- Rear of the cooker
- Kitchen wall
Electrical connection
IMPORTANT Electrical connections must be carried out by a suitably qualified person and in accordance with all relevant local building and installation regulations.
Fitting on a Power Supply Cable
Connecting appropriate power supply terminal board/ connector block
- Using a screwdriver, prize open tabs of the Terminal board cover
- Remove the wire clamp screw
- Fasten the wires beneath the corresponding screw heads, using brass ‘bridge’ for single phase supply.
- Fasten cable clamp and close the cover of the terminal board.
- The ac power supply should be 220-240 V, 50/60 Hz. For electric cookers, the minimum 45A fuse, or at least 45A a distribution circuit breaker

Warning: Connect the power cord in accordance with the instructions listed in the table below
| Wire cross-sectional area(mm2) Connection mode | L | N | E |
| 1N- | Min4 | Min4 | Min4 |
Connecting the supply cable to the mains
Install an approved circuit breaker with a minimum contact opening of 3 mm, between the appliance and the mains fuse box The circuit breaker should be sized according to the load and should comply with current regulations (the earth wire should not be interrupted by the circuit breaker)
The supply cable should be positioned so that it does not reach a temperature of more than 50°C with respect to the room temperature, anywhere along its length Before switching fuse ON in meter-box check.
- Earth continuity The electrical safety of this appliance can only be guaranteed if the cooker is correctly installed and earthed, in compliance with regulations on electrical installations.
- The electrical capacity of the system and sockets will support the maximum power of the appliance, as indicated on the data plate
Using your Freestanding Cooker
Getting the most from your appliance
Control panel

- T op oven thermostat knob
• Sets grill oven thermostat/ Mode. - Main oven function Knob
•Sets Oven Function/ Temperature - Ceramic Hob Control Knob
• Sets Hob Temperatures
Oven functions
Grill
Top & Bottom Element
Bottom Element
Oven light
Grill –The top centra l heating elements comes on The extremely high and direct temperate re of the grill makes it possible to brown the surface of meats and roasts while locking the juices in to keep them tender. The grill is also highly recommended for dishes that require a high temperature on the surface beef steaks, veal, rib steak, fillets, hamburgers etc.
Top & Bottom Element- Hot air comes from the upper and lower element in the oven. This is called Conventional cooking and is ideal for joints of meat
Bottom Element- Bottom element cooking is used for foods that typically need cooking with heat from underneath – Cakes and Bread are examples of where this function would be useful.
Oven light –The oven light will operate on all oven functions
Using your appliance for the first time
The first time you use your appliance, we recommend that you set the temperature setting to the highest mark. Set the function switch control knob to a cooking mode and leave the oven on for about 40-60 minutes with nothing in it and the oven door shut Then, open the oven door and allow the oven to cool Any odour that may be detected during this initial use is due to the evaporation of substances used to protect the oven during storage.

Programmable Timer
This model has a digital display, 24hr clock with 3 control buttons. When the power is connected, the screen displays ‘AUTO’.
Adjusting the digital clock
For first use of cooker, the time must be set by using the digital timer. The time must be set every time the cooker has been reset by the mains. To set the correct time, press the
button to remove ‘AUTO’ first, then+ or – button to advance forward or backward until the correct time is displayed.
Manual operation setting
If ‘AUTO’ is flashing, automatic or semi-automatic program has been set. Press O button, ‘AUTO’ will clear from the display and the oven can be operated manually.
Automatic setting
Automatic setting of the oven allows you to select the end time, cooking time, temperature and cooking mode. The oven will switch on, cook according to the selected cooking mode and temperature and then switch off automatically;
- Press the function button repeatedly until the bar above
flashes, then press+ or – button to set the time frame for baking. - Press the function button repeatedly until the bar above
flashes, then press+ or – button to set the time to switch off. - Set cooking temperature and cooking mode by turning the thermostat and function knob. After these have been set, the bars above 8 and
will flash, indicating that automatic cooking feature of the oven is set.
As an example: If cooking time takes 45 minutes and you want it to finish at 14 00
- Press the function button repeatedly until the bar above
flashes and set the cooking time 45 minutes. - Press the function button repeatedly until the bar above
flashes and set the finish time to 14:00.
After the above setting, the current time is displayed and the bars above
and
will flash, indicating that automatic cooking feature of the oven is set. When the clock displays 13:15, the oven will start cooking automatically. While cooking the bar will flash.
The oven starts immediately,
and ‘AUTO’ will flash. When the finish time is reached, the oven automatically stops cooking. The alarm will ring and ‘AUTO’ will flash, press the ·
button and the ringing will stop.
When the
button is pressed during semiautomatic cooking, the set cooking time is displayed. If the 8 button is pressed and the time is set back to
, the semi-automatic setting will be cancelled. When
button is pressed again, the oven will revert to the manual mode.
Timer
The digital countdown timer can be set up to 23 hours and 59 minutes maximum.
To set the timer, press the
button and then+ or – button until the desired time is displayed. Once the
button is released, the current time and U is displayed. When the
button is pressed the remaining time is displayed. When the set time is reached,
disappears and the alarm will ring. To stop the alarm, press the ·o button.
Note: After pressing the
button, timer settings should be done within 5 seconds.
In case of a power failure, all settings including the time display will be lost When the power is returned, three ‘O’ and ‘AUTO’ will be displayed.
The oven light
Set cooking mode selection knob to symbol to switch on the oven light/s. The oven light/s stay on when the oven is operating.
General oven and cooking tips
General Oven Tips
The wire shelves should always be pushed firmly to the back of the oven. Baking trays with food cooking on them should be placed level with the front edge of the oven’s wire shelves. Other containers should be placed centrally. Keep all trays and containers away from the back of the oven, as over-browning of the food may occur. For even browning, the maximum recommended size of a baking tray is 340 mm (13½”) by 340 mm (13½”). When the oven is on, do not leave the door open for longer than necessary, otherwise the knobs may get very hot.
- Always leave 1cm gap between dishes on the same shelf. This allows the heat to circulate freely around them.
- To reduce fat splashing when you add vegetables to hot fat around a roast, dry them thoroughly or brush lightly with cooking oil.
- Where dishes may boil and spill over during cooking, place them on a baking tray.
Practical Cooking Advice
The oven offers a wide range of alternatives which allow you to cook any type of food in the best possible way. With time you will learn to make the best use of this ve rsatile cooking appliance and the following directions are only a guideline which may be varied according to your own personal experience.
Preheating
You should always preheat your oven before placing food in it to cook. Once the food has been placed in the oven, the most appropriate cooking mode can then be selected.
Using the Grill
Use the grill mode
placing the food under the center of the grill (situated on the 3rd or 4th rack from the bottom )due to the central part of the top heating element being active Please use the grill pan set provided ensuring that there is no unwanted spillages formed inside youroven When using this mode, we recommend you set the thermostat to the highest setting However, this does not mean you cannot use lower temperatures, simply by adjusting the thermostat knob to the desired temperature. When using this mode ,we advise you to set the thermostat to 200°C, as it is the most efficient way to use the grill ,which is based on the use of infra red rays .
Baking Cakes
When baking cakes, always place them in a preheated oven .Make su re you wait until the oven has been preheated thoroughly (the pilot lamp will turn off) To prevent cake from dropping/sinking – do not open the oven door during baking.
Pastry is too dry
Increase the temperature by 10 C and reduce the cooking time
Pastry dropped
Use less liquid or lower the temperature by 10 C.
Pastry is too dark on top
Place it on a lower rack, lower the temperature, and increase the cooking time.
Cooked well on the inside but sticky on the outside
Use less liquid, lower the temperature, and increase the cooking time
The Pastry sticks to the pan
Grease the pan well and sprinkle it with a dusting of flour or use greaseproof paper Use a lower temperature setting. It is not necessary to remove the food from all the racks at the same time.
Cooking Fish and Meat
When cooking white meat ,fowl and fish, use temperature setting from 180 C to 200 ·c. For red meat that should be well done on the outside while tender and juicy in the inside, it is a good idea to start with a high temperature setting (200 ·c-220 ·c) for a short time, then turn the oven down afterwards. In general, the larger the roast, the lower the temperature setting Place the meat on the center of the grid and place the dripping pan beneath it to catch the fat Make su re that the grid is inserted so that it is in the center of the oven. If you would like to inc rease the amount of heat from below, use the low rack heights. For savory roasts (especially duck and wild game), dress the meat with lard or bacon on the top.
Using the ceramic cooking zones of your cooker
- Do not use mats, heat diffusers or wok stands. These will cause a temperature build-up which can damage the hob
- Do not let cooking pots over spill, this could leave a mark and residue on the glass.
Ceramic hotplate
- Do not use if the ceramic glass top is cracked or broken.
- Do not leave aluminum foil on the hot ceramic hotplates (permanent damage will occur).
Choosing Cooking Pots
Look at this diagram below which shows you which pans to use on the hotplates and which pans should not be used
- Always use pots and pans with flat bottoms. Uneven or thin bottoms will waste energy and cook slowly.
- Always use pots and pa ns which are slightly larger than the hotplate. Small pans waste energy.
- Always put dry pots and pans on the hotplates.

Care and maintenance
Looking after your appliance
Cleaning
WARNING! Isolate the power supply to the appliance and make sure that the cooker is cool. Before cleaning your cooker or performing maintenance, make sure that the cooking mode selection knob and the cooking temperature selection knob is set to ‘OFF’. To extend the life of your cooker, it must be cleaned frequently. The inside of the cooker should preferable be cleaned immediately after use, when it is still warm (but not hot with warm water and soap. The soap should be rinsed away and the interior dried thoroughly. Avoid using abrasive detergents, scourers, acidic cleaners such as lime scale remover, etc, as these could damage the enamel, and can result in development of rust and corrosion. If stains are particularly tough to remove, use cleaners specifically recommended to clean cookers and follow the instructions provided with the cleaner.
Never use steam cleaner for cleaning inside the cooker.
Do not clean using caustic creams, abrasive cleaning powders, thick wire wool or hard tools Enamelled parts of the cooker can be damaged if excess cleaning liquids are not immediately removed
After cleaning the interior parts of the cooker with a soapy cloth, rinse it and then dry thoroughly with a soft cloth.
Clean the glass surfaces with special glass cleaning agents.
Never use flammable agents like acid, thinner or petrol when cleaning your appliance. Do not clean your cooker with a steam cleaner.
Do not wash any part of your cooker in a dishwasher.
Enamelled Parts:
In order to keep enamelled parts as new, it is necessary to clean them frequently with mild warm soapy water and then dry with a cloth.
Do not wash them while hot and never use abrasive powders or abrasive cleaning materials.
Do not leave anything spilled onto enameled parts for long periods of time.
Ceramic Glass:
The ceramic glass should be regularly cleaned, always wipe clean immediately after each use once the resi dual heat warnings have switched off – DO NOT clean when hob is still hot Smudges from pans with an aluminum bottom can be easily cleaned off with a cloth dampened in vinegar. Remove any burnt residues immediately after cooking, rinse with water and wipe dry with a clean cloth. Never use abrasive or corrosive detergents, cleaning powders, oven sprays, spot-removers, steel wool or scourers.
Replacing the oven lamps
Replacement lamps are available from our support team. Please call 0333 305 2263. Light source shall be replaced by professional.
WARNING: Ensure that the appliance is switched off before replacing the lamp to avoid the possibility of electric shock.
Remove the glass cover of the lamp-holder as shown below Remove the lamp and replace with a lamp resistant to high temperatures (300°C) with the following characteristics:
- Voltage 220-240V
- Wattage 25W
- Type: E 14 (Incandescent light)
- Energy efficiency class : G

Replace the glass cover and reconnect the oven to the mains power supply.
WARNING: Please do not use screwdrivers or other utensils to remove the light cover This could damage the enamel of the oven or the lamp holder lamp holder.
PLEASE NOTE: The bulb replacement is not covered by your guarantee.
Cleaning the oven door /How to remove the oven doors
For a more thorough clean, you can remove and disassemble the oven door. Proceed as follows: Oven door structures 1 remove and assemble procedure:
- Open the door to the full extent(fig.1);

- Open the lever A completely on the left and right hinges(fig2);

- Hold the door as shown in fig.3

- Gently close the door(fig.3)until left and right hinge levers A are hooked to part B of the door(fig.4).

- Withdraw the hinge hooks from their location following arrow C(fig.4);
- Rest the door on a soft surface;
- To replace the door, repeat the above steps in reverse order.
Removing the Inner Pane of Glass
- Double oven door Remove the seal G by unscrew the no.2 bolts (fig.5)


- Gently pull out the inner pane of glass(fig.6)

- Clean the glass with an appropriate cleaner. Dry thoroughly, and place on a soft surface.
- Now you can also clean the inside of the outer glass.
Cleaning the door glass
- Clean the glass door using non-abrasive products or sponges and dry it with a soft cloth .
Technical specification
| Model | NWLSS0DCW / NWLSS0DCSL / NWLSS0DCB |
| Voltage and frequency | 220-240V AC 50Hz |
| Upper oven power consumption | 1210-1440W |
| Lower oven power consumption | 2220-2640W |
| Total oven power consumption | 3430-4080W |
| Upper oven usable capacity | 31L |
| Lower oven usable capacity | 62L |
| Power consumption for large zones | (1660-1960W)x1 |
| Power consumption for small zones | (1100-1307W)x3 |
| Total ceramic zone power consumption | 4960-5880W |
| Total power consumption | 8390-9960W |
| Energy rating | A |
We apologise for any inconvenience caused by minor inconsistencies within these instructions that may occur due to product improvements and development. All images and drawings are for illustration purposes only.
Energy fiche
| Brand | 11111 newwoRLD | |
| Model | NWLS50DCW NWLS50DCSL NWLS50DCB | |
| Type of Oven | ELECTRIC | |
| Mass | kg | 47.5 (+/-2) |
| Energy Efficiency Index – conventional | Upper: 78 Lower: 92.5 | |
| Energy Efficiency Index – fan forced | I | |
| Energy Class | A | |
| Energy consumption (electricity) – conventional | kWh/cycle | Upper: 0.53 Lower: 0.75 |
| Energy consumption (electricity) – fan forced | kWh/cycle | I |
| Number of cavities | 2 | |
| Heat Source | ELECTRIC | |
| Volume | l | Upper:31 Lower:62 |
| This oven complies with EN 60350-1 | ||
| Energy Saving Tips Energy Saving Tips Oven Hob – Use cookwares having flat base. – Cook the meals together, if possible. – Keep the pre-heating time short. – Use cookwares with proper size . – Do not elongate cooking time. – Use cookwares with lid. – Do not forget to turn-off the oven at the end of cooking. – Minimize the amount of liquid or fat. – Do not open oven door during cooking period. – When liquid starts boiling, reduce the setting. | ||
| Type of Hob | Electric | |
| Number of Cooking Zones | 4 | |
| Heating Technology-1 | Ceramic | |
| Size-1 | cm | 020 |
| Energy Consumption-1 | Wh/kg | 185.6 |
| Heating Technology-2 | Ceramic | |
| Size-2 | cm | 016.5 |
| Energy Consumption-2 | Wh/kg | 182.5 |
| Heating Technology-3 | Ceramic | |
| Size-3 | cm | 016.5 |
| Energy Consumption-3 | Wh/kg | 182.5 |
| Heating Technology-4 | Ceramic | |
| Size-4 | cm | 016.5 |
| Energy Consumption-4 | Wh/kg | 182.5 |
| Energy Consumption of Hob | Wh/kg | 183.3 |
| This hob complies with EN 60350-2 | ||
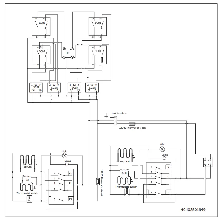
Circuit Diagram

Note:
HIL: HEAT INDICATION LAMP
SCHE: SINGLE CIRCUIT HEATING ELEMENT
SCER: SINGLE CIRCUIT ENERGY REGULATOR
Product support
Help is always at hand
Troubleshooting
If you have a problem with your appliance, check the troubleshoot ng table below to try and rectify your problem before calling your product support se rvicecentre.
| Problem | Possible Cause | Solution |
| Oven will not operate | Control knob is not set in the correct position | Move the control knob In a clockwise direction and select the desired function |
| Nothing works | Power is turn ed off at the isolati on swit ch or the consumer un i t Poor electrical connection | Ensure the isolation switch is on and check the consumer unit has not tri pped out. Have the connections been checked by a qualified electrician? |
| The cooking zones are not operat i ng | Poor electrical connection Pow er is t urn ed off at the isolati on switch | Have the connectors been checked by a qualified electrician? Ensure the isolation switch is on, the the consumer unit has not tri ooed out |
| Oven not heat ing up | Oven temperature not set correctly Door is not pr operly closed | Ensure that the correct temperature has been selected and the door is properly closed |
Note: Do not attempt to repair this cooker yourself, call our New World Support Team to carry out any repairs on:0333 305 2263.
Help and assistance
If you require any technical guidance or find that your washing machine is not operating as intended, a simple solution can often be found in the Troubleshooting section of these instructions or on line at www.newworldassist.co.uk
If you still require further assistance, call one of our experts on 0333 305 2263*. To help give us give you a fast and efficient service please have the following information ready
Lines open 09:00- 17:30 Monday to Friday.
*Calls to New World enquiry lines may attract a charge and set up fee from residential lines depending on your call plan/tariff. Mobile and other providers costs may vary, see www.bt.com/pricing for deta ils.
For Security and training purposes, telephone calls to and from customer service centers maybe recorded and monitored. Calls from Republic of Ireland will attract international call charges.
Declaration of conformance to product standards
This appliance conforms to all relevant stand rds. applicable to domestic appliances sold in the UK
Disposal
This appliance/fitting is marked A according to the European directive 2012/19/EU on Waste Electrical – and Electronic Equipment (WEEE).
By ensuring this product is disposed of correctly, you will help prevent potential negative consequences for the environment and human health, which could otherwise be caused by inappropriate waste handling of this product.
The symbol on the product, or on the documents accompanying the product, the crossed out wheelie bin symbol, indicates that this appliance/fitting may not be treated as household waste. Instead it shall be handed over to the applicable collection point for the recycling of electrical and electronic equipment.
Disposal must be carried out in accordance with local environmental regulations for waste disposal.
For more detailed information about treatment, recovery and recycling of this product, please contact your local authority, your household waste disposal service or the retailer where you purchased the product.
Call us now and activate your 24 month guarantee
Thank you for choosing New World. Your new product is guaranteed against faults and breakdowns for 24 months. Don’t forget to register it with us today so we can provide you with our best possible after-sales service and useful updates.
www.newworldassist.co.uk
0333 305 2263
Your New World Guarantee
This product is guaranteed for 24 months from the date of original purchase. Any defect that arises due to faulty materials or workmanship will be repaired free of charge (or if applicable the product will be replaced or the purchase price refunded) where possible during this period by the dealer from who your purchased the unit
The guarantee is subject to the following provisions:
- The guarantee does not cover accidental damage, misuse, cabinet parts, knobs or consumable items.
- The product must be correctly installed and operated in accordance with the instructions contained in the manual.
- It must be used solely for domestic purposes. The guarantee will be rendered invalid if the product is re-sold or has been damaged by inexpert repair.
- Specifications are subject to change without notice
- New World disclaim any liability for loss or damage arising from the breakdown of the product
- This guarantee is in addition to and does not diminish your statutory or legal rights
Important Data Protection Information
To find out how we use your data please refer to the guarantee registration material or visit wwwnewworldassistco.uk
Contact:
www.newworldassist.co.uk
Helpline: 0333 305 2263





























