BLUE JAY BJ-CA212 Automatic Power Factor Controller

The BJ-CA212 is an intelligent automatic power factor controller designed to accurately and reliably control the power factor of an electrical installation. It uses microcontroller technology specifically developed for APFCRs, where problems of electrical noise and transients are accentuated and normal microprocessor technology fails under such conditions.
Product Features
- Determines the connection phase to automatically set the compensation parameters, making installation and debugging easy.
- Allows for setting of controller parameters and testing of the relay without requiring a current signal.
- Offers real-time dynamic display of power distribution system power factor, current, and voltage.
- Automatically monitors and processes power over compensation and under compensation.
- Offers over-voltage monitoring, display, and protection. It can react in a minimum time to remove compensation capacitors, with a total time of less than 60 seconds.
Product Specifications
- For detailed specifications, please refer to the product manual or contact the manufacturer.
Installation and Start-Up
- Before turning on the power supply, ensure that the power supply is within the provisions of the instrument.
- During installation, ensure that the current input terminal is non-open and voltage input terminals are non-short circuit.
- Do not impose high pressure on the communication terminal (RS232 or RS485).
- Ensure that the instrument wiring is consistent with the internal system settings.
- When communicating with a PC, ensure that the instrument communication parameters are consistent with the PC.
Please read the user manual carefully before using the BJ-CA212. The material in the guide is for informational purposes only and is subject to change without notice. Blue Jay Technologies Co., Ltd reserves the right to make changes in the product design without reservation and without notification to its users. For further inquiries, please contact the manufacturer.
Read me
When you use CA 212 P ower factor controller , be sure to carefully read this user manual, and be able to fully understand the implications, the correct guidance of operations in accordance with user manual, which will help you make better use CA 212 P ower factor controller, and help to solve the various problems at the scene. The material in this guide is for information only and is subject to change without notice. Blue Jay Technologies Co., Ltd reserves the right to make changes in the product design without reservation and without notification to its users.
- Before the meter turns on the power supply, be sure that the power supply within the provisions of the instrument;
- When installation, the current input terminal must non open, voltage input terminals must Non short circuit;
- Communication terminal (RS232 or RS485) is strictly prohibited to impose high pressure;
- Be sure the instrument wiring consistent with the internal system settings;
- When communicating with the PC, instrument communication parameters must be consistent with the PC
- Please read carefully before using this user manual
- Please save this document
SUMMARIZE
The Blue Jay Intelligent Automatic Power Factor Controller type BJ-CA212 is specially designed to provide accurate and reliable control of Power Factor of an electrical installation. CA-212 has Microcontroller technology. Blue Jay technology specifically evolved for us APFCRs where the problems of electrical noise, transients etc, Are accentuated, and normal microprocessor technology fails under such condition.
FEATURES
- Determine the connection phase to automatically to set the compensate parameters, easy installation and debugging.
- Set the controller parameters and test the relay, no current signal can accept.
- Real-time dynamic display of power distribution system power factor, current, voltage.
- Automatic monitoring and processing power over compensation and less compensation.
- Over-voltage monitoring, display and protection, can reaction in a minimum time to remove compensation capacitors, total time less than 60s.
- With ultra-small load distribution system monitoring, display and locking function, to prevent capacitor switching oscillation, under current protection value can be user-set.
- LED display, show the circuit power factor, and LED indicator show the capacitors status.
SPECIFICATIONS
- Reference standard:
- JB/T9663-1999, DL/T597-1996
- Input
- Voltage: AC380V (optional AC220V/AC110V)
- Current: Rated 5A (min work current 0.1A)
- Frequency: 50HZ
- Dielectric strength
- IEC 688 / IEC 255-3 (1989)
- 2kV AC RMS 1 minute, between input / output / case / power supply
- Work environment
- Temperature: -20°C~ +60°C
- Humidity: RH 20%~85% (No condensation)
- Protection
- Panel: IP40
- Storage Conditions
- Temperature: -25°C~+70°C
- Humidity: RH 20%~95%
- Working Power
- AC 304V ~ 494V, 45-65Hz,
- Maximum power consumption 6W
- Dimensions
- L × W × H =120mm 120mm× 125mm
- L x W = (112.5+0.8mm) × (112.5+0.8mm)
- Installation hole size
INSTALLATION AND START-UP
The manual you hold in your hand contains information and warnings that the user should respect in order to guarantee a proper operation of all the instrument functions and keep its safety conditions. The instrument must not be powered on and used until its definitive assembly on the cabinet’s door.
If the instrument is not used as manufacturer’s specifications, the protection of the instrument will be damaged. When any protection failure is suspected to exist (for example, it presents external visible damages),the instrument must be immediately powered off. In this case contact a qualified service representative.
Installation
Mounting

- Instrument is to be mounted on panel (cut-out 112.5112.5+0.8 x 112.5112.5+0.8 mm). All connections keep inside the cabinet.
Voltage input
- Input voltage should not exceed the rated input voltage products ( please confirm it before your order), the input voltage to be installed in the 1A fuse.
Current Input
The standard input current is 5A, if greater than 5A should use external CT. Even if you are using on the CT are connecting with other instruments, wiring methods should be used in series Before remove the current input connection, must be sure to disconnect the primary circuit or shorted secondary circuit of CT. Suggest using the terminal block, please not directly connect to CT, in order to facilitate disassembly.
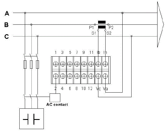
Connection terminal (see label on the rear part)
Terminal description
Upper connection terminal
| 1 | 3 | 5 | 7 | 9 | 11 | Ib | In |
| Current input + | Current input – | ||||||
Lower connection terminal
| 2 | 4 | 6 | 8 | 10 | 12 | Ua | Uc |
| voltage input + | voltage input – | ||||||
![]()
- Current sampling signal connection terminal (connect to CT
- Voltage power supply and the voltage sampling signal connection terminal connect to L1,L2 or L1,L3 or L2,L3)
- Output terminal connected AC contactor coil
Connection Drawing for the CB-212

SCREEN DISPLAY

- 1. 12 LED indicator show the capacitors working status
- 2. Over V LED on mean the over voltage
- 3. Under I LED on mean the load under current
- 4. “ LED on mean the current is capacitive circuit
- 5. Inductive LED on mean the current is inductive circuit
- 6. Main display show the power factor data
- 7. MODE ” key
- 8,9. UP and DOWN key
- 10. RESET mean reset key
OPERATION MODE
“MODE ” key can o open the programming menu.
“UP and DOWN key Press these keys in programming mode, will modify the value.
“RESET key can reset the controller when it have failure
SETUP PROCEDURE
The SETUP procedure of the CA212 is performed by means of several SETUP options. Once into the SETUP, use the keyboard to select different options and enter required variables:
- The instrument has one line displays. And 4 LED type indicator (red color) show the circuit status; 12 LED type indicators (red color) show the capacitors status.
- When the CA-212 is powered up, all the LED indicator will on, and meter start self- test, after some seconds, the controller is ready for operation and shows one of the available screens.
Note
- If there is no voltage signal the display will show noU
- If there is no current signal the display will show noI in this situation us er can set ting the parameter and test the switching of capacitor
Parameter setting
Step1: Press key “
“and hold 3 sec, the controller will start in programming mode , you will see:- This is show the capacitors routes, setting value from 1~12.You can use and to change use
change the value.
- This is show the capacitors routes, setting value from 1~12.You can use and to change use
Step2: Then press key “
“and hold 2 sec, you will see:- This is show the delay time of capacitors switching, setting value is 10, 20, 30, 40, 50, 60, 70, 80, 90.You can use
and to change the value.
- This is show the delay time of capacitors switching, setting value is 10, 20, 30, 40, 50, 60, 70, 80, 90.You can use
Step3: Then press key “
“and hold 2 sec, you will see:- This is show the lower value of power factor, the controller input or the removal the capacitors to keeping the power factor in an e-conomic range Setting value form 0. 90~0.99 0.99. You can use
to change the value.
- This is show the lower value of power factor, the controller input or the removal the capacitors to keeping the power factor in an e-conomic range Setting value form 0. 90~0.99 0.99. You can use
Step 4: Then press key “ “and hold 2 sec, you will see:- This is show the over-voltage setting, Setting range is 5%. 10%. 15%. 20%.
- U05 means voltage setting is 5% (399V),
- U10 means voltage setting is 10% (418V),
- U15 means voltage setting is 15% (437V),
- U20 means voltage setting is 20% (456V).
- When the grid voltage exceeds the over voltage setting value, the over voltage indicator light is on.
- The controller will remove all capaci tors in one minute to ensure all capacitors safe.
- You can use
to change the value.
- This is show the over-voltage setting, Setting range is 5%. 10%. 15%. 20%.
Step 5: Then press key “
“and hold 2 sec, you will see:- This is show the load under current settings. Setting range is 2%. 4%. 6%. 8%. 10%.
- 102 means current setting is 2% (0.1A),
- 104 means current setting is 4% (0.2A),
- 106 means current setting is 6% (0.3A),
- 108 means current setting is 8% (0.4A).
- 110 means current setting is 10% (0.5A).
- When the gird load is less than the set value , the con troller remov e the inputted capacitor, the under current indicator light on , and the controller will not input the capacitor during the low current period . To avoid the switching oscillation , protect the capacitor.
- You can use and to change th e value.
- This is show the load under current settings. Setting range is 2%. 4%. 6%. 8%. 10%.
Step 6: Then press key “
“and hold 2 sec, you will see:- This is CA-212 test mode, user can press
to input or cut-off the capacitor, the capacitor indicator will on or off to show the status. The display can show the gri d power factor change This can test the capacitor connecting.
- This is CA-212 test mode, user can press
- Step 7: Then press key “
“and hold 2 sec, the controller will escape the programming mode, and show the current power factor data.
Notes
- In setting/test mode, if 15 seconds without action, the controller will return to automatic control mode.
- If the controller s how ‘UAC UBC UAB” to indicate the wiring method is 3P3W show’ IA IB IC ‘ to indicate the wiring method is 3P4W.
- shows the current power factor, if the current power factor greater than 0.5, and does not advance , go to next step
- If the current power factor less than 0.5 or advanced , then that connection error current signal and voltage signals are in phase , circular display ‘ or ‘ or ‘ if it is satisfied the re is no connection error , that is, that the current grid True power factor ofless than 0.5 , hold down the button to confirm can enter the next step
Workflow description
- Power on and reset, the LED screen all on , show 888
- Controller automatic test voltage and current signals:
- Show ” noU “, mean no voltage signal (see troubleshooting for solution)
- Show ” noI “, mean no current signal (see troubleshooting for solution)
- Automatically determine the terminal connection mode:
- If the controller show UAC UBC UAB to indicate the wiring method is 3P3W show “ IA IB IC to indicate the wiring method is 3P4W.
- If the current power factor less than 0.5 or advanced , controller judge as connection error , the display show Err ” mean that wiring is incorrect
- After diagnos is by artificial , eliminate wiring errors , user can press
to skip the check
- Then press to set the control parameter ( Details please refer to C hapter 7.1
- controller detects and displays the current grid power factor, when the power factor is under the lower limit set, controller automatically connect capacitor until the power factor between the lower and 1.00.
- When the power factor over the 1.00 , the controller automatically removed capacitor until the power factor in the set range.
- When the load current is less than the set under current value, the controller running in l ock method , without any action to protect the capacitor
- When the grid voltage exceeds the over voltage setting value, the controller automatically cut off all capacitor
TECHNICAL SERVICE
For any inquiry about the instrument performance or whether any failure happens, contact to Blue Jay’s technical service.
Blue Jay – After-sales service
- Building 13, 2
- 8, Jialing third village Pioneer Park, Jiangbei District , 400020 Chongqing
- Tel – + 0086 023 86850812
- Fax – + 0086 023 67636974
- E-mail: [email protected]

Step1: Press key “
Step2: Then press key “
Step3: Then press key “

















