CROWN GLT-40F Gas Tilting Kettle

Product Information
The product is a gas tilting kettle with model number GLT-40F manufactured by Crown Food Service Equipment, a Middleby Company.
The product has a serial number that needs to be mentioned in the manual for future reference. The manual provides safety precautions, important notes for installation, and operation instructions.
Product Usage
- Before installing and operating the equipment, ensure that everyone involved in its operation is fully trained and aware of the precautions.
- Do not store or use gasoline or other flammable vapors or liquids in the vicinity of this or any other appliance.
- Read the installation, operating, and maintenance instructions thoroughly before installing, operating, or servicing this equipment.
- The product is intended for commercial use only and not for household use.
- In case of a power failure, do not attempt to operate the unit.
- Keep the appliance area free and clear from combustibles.
Adequate clearances MUST be maintained for servicing and proper operation. - Contact the factory, factory representative, or a local service company to perform maintenance and repairs should the appliance malfunction. Refer to warranty terms.
It is essential to follow the safety precautions and usage instructions mentioned in the manual to avoid accidents, property damage, injury, or death. The purchaser must post instructions in a prominent location to be followed in the event the operator of this appliance smells gas. For more information and support, contact Crown Food Service Equipment at 919-762-1000 or visit www.crownsteamgroup.com.
WARNING
Improper installation, adjustment, alteration, service or maintenance can cause property damage, injury or death. Read the installation, operating and maintenance instructions thoroughly before installing or servicing this equipment.
SAFETY PRECAUTIONS
Before installing and operating this equipment, be sure everyone involved in its operation is fully trained and aware of precautions. Accidents and problems can be caused by failure to follow fundamental rules and precautions.
The following symbols, found throughout this manual, alert you to potentially dangerous conditions to the operator,service personnel, or to the equipment.
DANGER
This symbol warns of immediate hazards that will result in severe injury or death.
WARNING
This symbol refers to a potential hazard or unsafe practice that could result in injury or death.
CAUTION
This symbol refers to a potential hazard or unsafe practice that could result in injury, product damage, or property damage.
NOTICE
This symbol refers to information that needs special attention or must be fully understood, even though not dangerous.
IMPORTANT NOTES FOR INSTALLATION AND OPERATION
WARNING
This is the safety alert symbol. It is used to alert you to potential personal injury hazards. Obey all safety messages that follow this symbol to avoid possible injury or death.
FOR YOUR SAFETY:
- Do not store or use gasoline or other flammable vapors or liquids in the vicinity of this or any other appliance.
- Improper installation, operation, adjustment, alteration, service or maintenance can cause property damage, injury or death. Read the installation, operating and maintenance instructions thoroughly before installing, operating or servicing this equipment.
NOTICE
- This product is intended for commercial use only. NOT FOR HOUSEHOLD USE.
- This manual should be retained for future reference.
PURCHASER: Instructions to be followed in the event the operator of this appliance smells gas must be posted in a prominent location. This information shall be obtained by consulting the local gas supplier.
Do not attempt to operate this unit in the event of a power failure.
Keep the appliance area free and clear from combustibles.
DO NOT obstruct the flow of combustion and ventilation air.
Adequate clearances MUST be maintained for servicing and proper operation.
Contact the factory, the factory representative or a local service company to perform maintenance and repairs should the appliance malfunction. Refer to warranty terms.
Service Connections

SERVICE CONNECTIONS
– GAS CONNECTION: Supply Gas through 3/4” pipe. A gas shut off valve must be installed in supply piping convenient and adjacent to appliance.
– ELECTRICAL CONNECTION : Unless otherwise specified, field wire electrical connection to be 120 volts, 60 Hz, 1 phase with grounding wire.
Unit furnished with 6’ cord and 3 prong plug. Total maximum amps 4.0.
– COLD WATER: 3/8” (10 mm) tubing to faucet (optional)
– HOT WATER: 3/8” (10 mm) tubing to faucet (optional)
GAS CHARACTERISTICS
| Model | Gas Supply | |||
| BTU/HR. | kW/HR. | Supply Pipe Pressure (W.C.) | ||
| GLT-40F | 120,000 | 35.2 | Natural 6”-14” (152-356 mm) | Propane 11”-14” (279-356 mm) |
For use on non-combustible floors only.
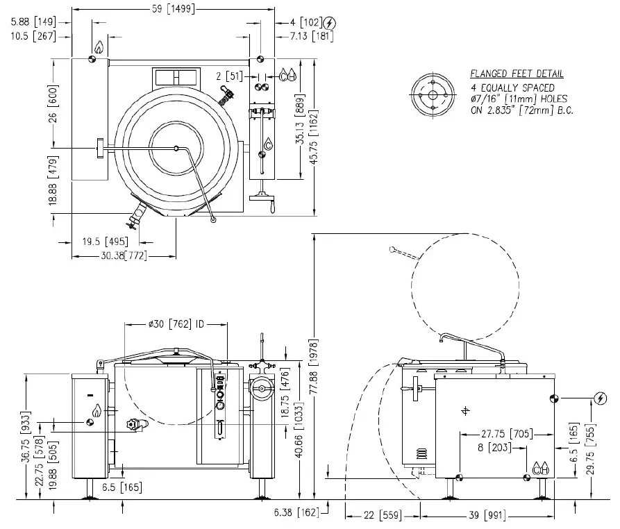
SPECIFICATIONS
| Model | Capacity | Shipping Weight | Minimum Clearance * | ||
| GLT-40F | 40 Gallon | 152 Liter | 1100 lbs. [499 kg] | Sides Back | 0” [0 mm] 4” [102 mm] |
As continued product improvement is a policy of Crown, specifications are subject to change without notice.
Installation
UNPACKING
IMMEDIATELY INSPECT FOR SHIPPING DAMAGE
Immediately after unpacking the steamer, check for possible shipping damage. If the steamer is found to be damaged, save the packaging material and contact the carrier within 15 days of delivery.
Prior to installation, verify that the type of gas supply (natural or propane) and electrical service agree with the specifications on the rating plate located on the left side panel as you face the front of the braising pan. If the supply and equipment requirements do not agree, contact your dealer immediately.
Installation Codes and Standards
Installation must conform with local codes, or in the absence of local codes, with the National Fuel Gas Code, ANSI Z223.1/NFPA 54, or the Natural Gas and Propane Installation Code, CSA B149.1, as applicable.
- The appliance and its individual shut off valve must be disconnected from the gas supply piping system during any pressure testing of that system at pressures in excess of 1/2 psi (3.5 kPa).
- The appliance must be isolated from the gas supply piping system by closing its individual manual shut off valve during any pressure testing of the gas supply piping system at test pressures equal to or less than 1/2 psi (3.5 kPa).
Electrical grounding must be provided in accordance with local codes, or in the absence of local codes, with the National Electrical Code, ANSI/NFPA 70, or the Canadian Electrical Code, CSA C22.2, as applicable.
The electrical diagram is located on the inside of side panel of left hand console.
EXHAUST FANS AND CANOPIES: Canopies are set over ranges, ovens and kettles for ventilation purposes. It is recommended that a canopy extend 6 inches past appliance and be located 7.5 feet from the floor. Filters should be installed at an angle of 45 degrees or more with the horizontal. This position prevents dripping of grease and facilitates collecting the run- off grease in a drip pan, usually installed with the filter. A strong exhaust fan tends to create a vacuum in the room and may interfere with burner performance or may extinguish pilot flames. Makeup air openings approximately equal to the fan area will relieve such vacuum. In case of unsatisfactory performance on any appliance, check operation with exhaust fan in the “OFF” position.
WALL EXHAUST FAN: The exhaust fan should be installed at least two feet above the vent opening at the top of the unit.
CLEARANCES: Adequate clearance must be provided in aisle and at the side and back. Adequate clearances for air openings into the combustion chamber must be provided, as well as for serviceability.
| SIDES | 0 INCHES |
| BACK | 4 INCHES AT FLUE BOX |
| FLOORS | NON-COMBUSTIBLE |
All units must be installed in such a manner that the flow of combustion and ventilation air are not obstructed. Provisions for an adequate air supply must also be provided. Do not obstruct side of the unit, as combustion air enters through this area.
Information on the construction and installation of ventilating hoods may be obtained from the standard for “Vapor Removal from Cooking Equipment”, NFPA No. 96 (latest edition), available from the National Fire Protection Association, Batterymarch Park, Quincy, MA, USA, 02269.
To Install
- Uncrate carefully. Report any hidden freight damage to the freight company immediately.
- The pressure relief valve is located at the right rear of the unit. This area should be kept clear and should not be in an area where operators will normally stand. The elbow on the relief valve should be turned toward the floor. A maximum 3 foot, 3/4” diameter pipe may be used to extend to the floor, but must not be piped directly to a drain. It must vent to the atmosphere.
- Set the unit in place. Be certain to maintain minimum clearances as stated above.
- To level the unit use a spirit level in all directions on the top of the kettle (lid up). Adjust the bottom foot on each leg to overcome an uneven floor.
- Mark hole locations on floor through anchoring holes provided in flanged adjustable feet.
- Remove appliance and drill holes in locations marked on floor and insert proper anchoring devices.
- Set unit back in position and re-level left to right and front to back.
- Bolt and anchor appliances securely to the floor.
- Seal bolts and flanged feet with silastic or equivalent compound.
- Appliance location must allow air supply to unit and obstruction free clearance for air opening into the combustion chamber.
- Make service connections as indicated.
- Check the pressure gauge on the front panel before operating. If the pressure gauge does not indicate green vacuum zone (below 0 psi), see “Re-establishing Vacuum” section under SERVICE, after completing installation instructions.
GAS CONNECTION
The serial plate on the lower right side of the unit indicates the type of gas your unit is equipped to burn. DO NOT connect to any other gas type.
A 3/4” NPT line is provided at the rear for the connection. Each unit is equipped with an internal pressure regulator which is set for 3.5” W.C. manifold pressure for natural gas and 4.0” W.C. for propane gas. Use 1/8” pipe tap on the downstream side of the combination valve for checking pressure.
An adequate gas supply is imperative. Undersized or low pressure lines will restrict the volume of gas required for satisfactory performance. A steady pressure, minimum 6” W.C. for natural gas and minimum 11” W.C. for propane gas, is recommended. With all units operating simultaneously, the manifold pressure on all units should not show any appreciable drop. Fluctuations of more than 25% on natural gas, and 10% on propane gas, will create pilot problems and affect burner operating characteristics. Contact your gas company for correct supply line sizes.
Purge the supply line to clean out any dust, dirt, or other foreign matter before connecting the line to the unit. It is recommended that an individual manual shut off valve be installed in the gas supply line to the unit. Use pipe joint compound which is suitable for use with LP gas on all threaded connections. Test pipe connections thoroughly for gas leaks.
WARNING
All connections must be checked for leaks, after the unit has been put in operation. Use soapy water only for testing on all gases. Never use an open flame to check for gas leaks.
NOTICE
- If applicable, the vent line from the gas appliance pressure regulator shall be installed to the outdoors in accordance with local codes or, in the absence of local codes, with the National Fuel Gas Code, ANSI Z223.1/NFPA 54, or the Natural Gas and Propane Installation Code CSA B149.1, as applicable.
- If this equipment is being installed at over 2,000 feet altitude and was not so specified on order, contact service department. Failure to install with proper orifice sizing may void the warranty.
Water Connection
On units equipped with an optional water fill valve connect a water line (minimum 1/4”) to the valve with a 1/4” NPT female fitting. Units with dual (hot and cold) valves must have the hot water line connected to side with the hot water valve (red) and cold water line to the cold water valve (blue). Plastic or rubber hose is not recommended, as it may melt against the hot kettle side.
Electrical Connection
WARNING
Do not connect the kettle to the electrical supply until after the gas connection has been made.
ELECTRICAL GROUNDING INSTRUCTIONS
This appliance is equipped with a three-prong (grounding) plug for your protection against shock hazard and should be plugged directly into a properly grounded three-prong receptacle. Do not cut or remove the grounding prong from this plug. (120V units only).
- 120 VAC – 60 Hz – Single Phase
Units with this electrical rating are factory supplied with a three-wired cord and three-prong plug which fits any standard 120V, three-prong grounded receptacle. A separate 15 amp supply is needed for each unit. - 208/240 VAC – 60 Hz – Single and Three Phase
Units with this electrical rating are factory equipped with a transformer. To connect supply wires, remove cover from right console. Route supply wires and ground wire through the hole in the console with a strain relief fitting. Connect wires to the terminal block in the rear of the right console. Connect ground wire to lug. Replace cover. Three-phase units are wired as above, using only two supply wires. The third supply wire is not connected and must be properly terminated. - 220 VAC – 50 Hz – Single Phase
Units equipped with this voltage ratings should be wired exactly as in (Step 2) above.
Performance Check
The following items should be checked before or within the first 30 days of operation by a qualified service technician.
- Verify correct gas type against rating plate on unit.
- Verify correct voltage, cycle and phase against rating plate on unit.
- Gas pressure.
- Internal gas connections.
- Internal electrical connections.
- Burners – adjustment and ignition.
- Thermostat – cycle for operation check.
- Gas supply valve – check for operation.
- Check hinge and lid assembly.
- Draw-off valve – check operation.
- Advise user on cleaning procedure.
Operation
NOTICE
Contact the factory, the factory representative or a local service company to perform maintenance and repairs should the appliance malfunction.
CAUTION
If you smell gas during the lighting procedure, immediately shut off the gas supply until the leak has been corrected.
WARNING
- In the event of main burner ignition failure, a 5 minute purge period must be observed prior to re-establishing ignition source.
- In the event you smell gas, shut down equipment at the main shut off valve and contact the local gas company or gas supplier for service.
Gas Control Instructions
The units do not require “lighting” the pilot with a match.
Lighting
NOTICE
Unit is shipped with gas combination valve turned “on”.
- Open manual gas shut off valve.
- Set thermostat to OFF, and kettle in fully upright position, turn power switch ON.
- Set thermostat to maximum, initiating a 30 second pre-purge. Red “COOKING” pilot will come on, and after 30 seconds, the green “IGNITION” pilot will come on, lighting the main burners.
If after 36 seconds the burner fails to ignite or the “ignition light goes out, the system goes into Safety Lockout. De-energize the system by setting the thermostat to “OFF” for five minutes and try again. - Set the thermostat to desired temperature setting. When temperature setting has been reached, the “IGNITION” pilot will go off, turning off the burner. The unit will then cycle on and off to maintain set temperature.
NOTICE
When the kettle is tilted a safety switch will automatically turn off gas supply. The kettle will not operate once it has been tilted.
Daily Shutdown
- Turn power switch “OFF.”
- Turn thermostat “OFF.”
Complete Shutdown
- Turn power switch “OFF.”
- Turn thermostat “OFF”.
- Turn power supply to unit “OFF”.
- Remove front access panel on left side and turn dial on combination valve to “OFF”.
- Close manual gas shut off valve.
FRONT PANEL CONTROLS
- POWER SWITCH: …………………… This switch turns the main power to the unit on and off. It must be turned on to heat the kettle. It should be turned off when the kettle will not be in use for long periods.
- IGNITION LIGHT (GREEN): ……… This light is on whenever the main burner gas is on.
- COOKING LIGHT (RED): …………. This light is on when the thermostat is calling for heat.
- LOW WATER LIGHT (AMBER): .. All kettles are supplied with sufficient distilled water in pressurized jacket. If at any time the water level falls below that required for proper operation, the kettle will not heat and this light will come on. See “Adding Water” in Service section.
- THERMOSTAT: ………………………..The thermostat selects the desired internal kettle operating temperature. The thermostat must be set at a desired setting in order for the burner to ignite. Reference Dial Setting table below.
DIAL SETTING °C °F 1 15 60 2 27 81 3 40 104 4 53 127 5 67 153 6 81 178 7 95 203 8 108 226 9 122 252 10 135 275 - PRESSURE GAUGE:……………….. The pressure gauge indicates the internal operating pressure of the kettle. When cold, the gauge should point to the green vacuum zone. If it does not, refer to
“Re-establishing Vacuum” section. Under normal operation with the kettle empty (thermostat set at 10 or 275 °F) the pressure should reach 30 psi. When loaded the pressure may be considerably less. - SIGHT GLASS: ……………………….. The sight glass indicates the minimum and maximum water level within the kettle. If water level falls below minimum level more distilled water should be added. See “Adding Water” in Service section.
- PRESSURE RELIEF VALVE: ……. The pressure relief valve is a safety device which prevents the internal kettle pressure from exceeding 50 psi. It should never be tampered with.
Daily Operation
Daily operation should consist of turning on the power switch and setting thermostat for the desired temperature.
It is recommended the kettle be preheated prior to use. Milk or egg based products should be placed in the kettle before heating however, to prevent sticking. The kettle is preheated when the cooking light goes off the first time.
At the end of the day, or if the kettle will not be used for some time, shut the unit down by turning the power switch to “OFF”.
Clean as required or on a daily basis. See “CLEANING INSTRUCTIONS” section.
End Use Tips
For easier cleaning add cold water to the kettle immediately after removing contents.
When preparing foods containing vinegar or tomatoes, or those which have a high salt content, clean the kettle immediately after using to prevent pitting.
Do not use salt to clean the kettle. This will scratch the surface.
If using salt water to cook shellfish, be sure to rinse and wash the kettle thoroughly after use.
Bring milk and egg products slowly up to temperature in a cold kettle to prevent product from adhering to the sides. When preparing milk-based products do not preheat the kettle.
When planning actual cooking capacity, allow room at top for stirring without spilling.
When preparing puddings from a mix, place the powder in a cold kettle, add a small amount of liquid, and stir to form a thin paste. Turn on the kettle and add the remainder of the liquid. Continue as per recipe instructions.
When browning meat, bring the kettle up to temperature before adding. This will seal the juices in the meat.
Gas Saving Tips
Use these reminders to help develop energy-saving procedures and habits. Using less natural or propane gas saves energy as well as money.
- Turn off when not in use.
- Limit preheat times.
- Use lid when possible.
- Maintain equipment.
Cleaning
WARNING
- Disconnect the power supply to the appliance before cleaning or servicing.
- Never spray water into electric controls or components!
- The equipment and its parts are hot. Use care when operating, cleaning and servicing.
CAUTION
Do not use cleaning agents that are corrosive.
Your kettle should be cleaned immediately after each use or when cooking a different product. Before cleaning, check that the kettle has cooled enough to touch it.
- Rinse the inside of the kettle thoroughly and drain to remove any food particles.
- Using a nylon brush, clean the kettle with a mild detergent and water. Never use steel wool or scouring powder as it will scratch stainless steel. Plain steel wool can leave small pieces of steel which can rust.
- Rinse the inside of the kettle thoroughly with clean water. Drain the kettle by tilting or the tangent draw-off valve, depending on model, to allow the detergent and water solution to drain.
- Wipe the exterior of the kettle with a clean, damp cloth.
WARNING
If you are cleaning a valve that is assembled to a kettle, be sure the kettle is completely empty of any product.
Draw-Off Valve Cleaning
- If equipped with a tangent draw-off valve, turn the large hex nut on the draw-off valve counterclockwise until it is completely disengaged from the threads. Grasp the valve knob and slowly pull out the valve stem and disk. Do not allow the disk to come in contact with hard surfaces as it can be damaged and cause valve leakage. Wash the valve stem, disk and handle. Insert a nylon brush, wet with detergent and water, into the valve body and tangent draw-off tube. Brush vigorously.
- Replace the valve stem assembly and turn the hex nut until snug. Rinse the kettle with clean warm water.
- Leave the draw-off valve open when the kettle is not in use.
Dairy Draw-Off Valve Cleaning
- Remove the plug by first removing the handle, then turn the plug to line up with the pin and pull with both hands. It is important to use both hands because the plug is heavy.
- Put the plug in a plastic pail that contains a mild soap solution. A plastic pail works best, as it reduces the possibility of nicking or scratching the plug. If the plug gets scratched it may not seal correctly and could leak.
- Use a soft cloth or soft brush and clean all surfaces.
- Using both hands remove the valve from the soap and rinse well in another plastic pail that contains fresh water.
- Wash out the kettle as normal.
- Once the kettle is washed out, return the plug into the body. Be sure the plug is inserted into the notch and turned. Ensure the plug is tight and secure before letting go of it.
If you are cleaning a body and plug assembly, remove the plug and follow the above procedures. When finished with the plug, follow the same instructions for washing the body. Always use both hands when handling the plugs. Reassemble the plug into the body and use as normal.
NOTICE
Draw-off valve has a vulcanized rubber coated stem for better sealing. Do not over tighten. This may cause the rubber to pull away from stem and permanently damage it. This is not covered under warranty.
What to Do if Surface Rust Appears
Metal utensils should never be used as they will scratch the surface of the equipment and rust may begin to form. To remove surface accumulation of rust from the inadvertent use of such utensils, the following procedure may be used.
CAUTION
Improper use of this procedure may damage your appliance!
- Use undiluted white vinegar with a non-abrasive scouring pad (plastic) or cloth on the affected area to remove the rust stain. The appliance should not be heated and remain at room temperature during the entire cleaning process.
- If the stain resists removal, additional exposure time with vinegar may be required, to a maximum of one hour.
- Thoroughly wash all of the vinegar away with fresh clear water. Dry the surface completely and allow one hour before using the appliance to cook.
Following daily and period maintenance procedures will prolong the life for your equipment. Climatic conditions – salt air – may require more thorough and frequent cleaning or the life of the equipment could be adversely affected.
Stainless Steel
To remove normal dirt, grease or product residue from stainless steel, use ordinary soap and water (with or without detergent) applied with a sponge or cloth. Dry thoroughly with a clean cloth. Never use vinegar or any other corrosive cleaner.
To remove grease and food splatters or condensed vapors that have baked on the equipment, apply cleanser to a damp cloth or sponge and rub cleanser on the metal in the direction of the polishing lines. Rubbing cleanser as gently as possible in the direction of the polished lines will not mar the finish of the stainless steel. NEVER RUB WITH A CIRCULAR MOTION.
Soil and burn deposits which do not respond to the above procedure can usually be removed by rubbing the surface with SCOTCH-BRITE™ scouring pads or STAINLESS scouring pads. DO NOT USE ORDINARY STEEL WOOL as any particles left on the surface will rust and further spoil the appearance of the finish. NEVER USE A WIRE BRUSH, STEEL SCOURING PADS (EXCEPT STAINLESS), SCRAPER, FILE OR OTHER STEEL TOOLS. Surfaces which are marred collect dirt more rapidly and become more difficult to clean. Marring also increases the possibility of corrosive attack. Refinishing may then be required.
TO REMOVE HEAT TINT: Darkened areas sometimes appear on stainless steel surfaces where the area has been subjected to excessive heat. These darkened areas are caused by thickening of the protective surface of the stainless steel and is not harmful. Heat tint can normally be removed by the foregoing, but tint which does not respond to this procedure calls for a vigorous scouring in the direction of the polish lines using SCOTCH-BRITE™ scouring pads or a STAINLESS scouring pad in combination with a powdered cleanser. Heat tint action may be lessened by not applying or by reducing heat to equipment during slack periods.
All food contact surfaces must be thoroughly drained and flushed prior to cooking in the kettle.
CONTROL PANEL: The textured control panel should be cleaned with warm water and mild soap. Never use an abrasive cloth or steel wool. Never use cleaning solvents with a hydrocarbon base.
WARNING
In the event of main burner ignition failure, a 5 minute purge period must be observed prior to re-establishing ignition source.
Maintenance
NOTICE
Contact the factory, the factory representative or a local service company to perform maintenance and repairs.
WARNING
Disconnect the power supply to the appliance before cleaning or servicing.
Daily
- Wash exposed cleanable areas.
Monthly
- Blower wheel inlet and motor air vent should be cleansed if an accumulation of dust or lint is obvious.
Twice a Year (minimum)
- Have an authorized service person clean and adjust the unit for maximum performance.
- The unit venting system should be examined and cleaned.
- Grease the screw jack tilt mechanism via the lubricating nipple. Use Petro-Canada type OG-2 or equivalent.
Annually
- Have an authorized service person inspect the screw jack assembly for wear. The screw must be replaced immediately if the end play has reached 0.019” [0.5mm].
Safety Valve Maintenance and Testing
CAUTION
- Under normal operating conditions a “try lever test” should be performed every two months. Under severe service conditions, or if corrosion and/or deposits are noticed within the valve body, testing must be performed more often. A “try lever test” should also be performed at the end of any non-service period.
- Hot, high pressure fluid may be discharged from body drain and vent during “try lever” test. Care must be taken to avoid any bodily contact.
- High sound levels may be experienced during “try lever” test.
- Wear proper safety equipment and exercise extreme care!
- Test at, or near, half of the operating pressure by holding the test lever fully open for at least two seconds to flush the valve seat free of sediment and debris. Then release lever and allow the valve to snap shut.
- If lift lever does not activate, or there is no evidence of discharge, turn off equipment immediately and contact a licensed contractor or qualified service personnel.
Service
General
When any difficulty arises always check that the unit has been connected to the gas supply type and voltage for which it was supplied. This can be done by examining the serial plate on the lower right side of the unit. It will list the gas type and voltage for which the unit was manufactured.
Wiring diagrams for the unit are located in a small envelope affixed to the side panel of left hand console.
| UNIT | TOTAL INPUT | ORIFICE SIZE | |
| NATURAL | PROPANE | ||
| GLT-40F | 120,000 BTU/Hour | DMS # 7 (0.201″) | DMS # 23 (0.154″) |
Manifold Pressure
Natural Gas – 3.5 inches W.C. LP Gas – 4 inches W.C.
Adjustments
Thermostat
WARNING
Adjustments and service work may be performed only by a qualified technician who is experienced in, and knowledgeable with, the operation of commercial gas cooking equipment. To assure your confidence, contact your authorized service agency for reliable service, dependable advice or other assistance, and for genuine factory parts.
The thermostat adjustment should not be changed. Check the following before changing the thermostat.
- With kettle cold, the pressure on the pressure gauge should read in the green vacuum zone (25 to 30 inches Hg vacuum).
If not, see ‘Re-establishing Vacuum” section. - The pressure switch may be set too high or too low and causing the out of adjustment condition. A voltmeter should be used by a properly trained serviceman to determine if the pressure switch or thermostat is actually cycling the burners. If the pressure switch is found to be cycling the burners, see “Pressure Switch” section.
After verifying that the pressure switch is set and operating properly, the thermostat may be adjusted using the set screw inside the stem. At maximum setting, the thermostat should cycle off at a gauge pressure reading of 30 psi. Turn set screw clockwise to decrease pressure and counterclockwise to increase pressure.
Pressure Switch
The pressure switch should not be adjusted until it is determined to be the cause of an operating pressure difficulty.
See “Thermostat” section to determine if the source of difficulty is the pressure switch or thermostat.
The major difficulties caused by pressure switch mis-adjustment are:
- Pressure relief valve opening, pressure rises above 45 psi.
- Pressure in kettle is less than 30 psi and burner is being shut down by pressure switch (not thermostat).
The pressure switch is preset for proper operation from the factory. It is adjusted to the maximum pressure which will prevent the pressure relief valve from opening. During preheat to the maximum thermostat setting (275 °F), from either a cold condition or a lower temperature setting, the temperature may overshoot the thermostat setting and be shut down by the pressure switch. This is normal, however, after the kettle has cycled several times (empty) the thermostat will begin cycling the unit.
To Adjust Pressure Switch
- To obtain access to the pressure switch, the front panel must be removed. Remove the screws on bottom of the panel. Be sure to support the panel to avoid excessive strain on the wiring.
- To increase the pressure switch setting, turn the white ribbed knob clockwise; to decrease, turn it counterclockwise.
Use the centre of the black ring as an indicator. - With the kettle empty and completely cold, turn kettle on and set thermostat to maximum setting (275 °F).
- The pressure in kettle (read pressure gauge on front panel) should reach a maximum of 30 psi and pressure relief valve should not open. Kettle pressure may rise 3 or 4 psi even after burners shut down.
- Relief valve should not open when kettle pressure is 45 psi; pressure switch setting is satisfactory.
- If the safety relief valve opens, reduce setting on pressure switch, cool kettle completely by running cold water through it and repeat steps 3 – 6.
- If pressure in kettle is below 30 psi increase setting of pressure switch, cool kettle completely by running cold water through it and repeat steps 3 – 7.
- Allow the kettle to cycle several times to verify the correct pressure setting.
- Replace the front panel when adjustment is complete.
Adding Water (Low Water Light Comes On)
It may be necessary to replenish water in the jacket when the low water indicator comes on. Do so as follows:
- Unit should be completely cold and off.
- Lift handle of pressure relief valve to release vacuum in kettle.
- Remove relief valve and attach a 3/4” NPT elbow pointing upward.
- Using pure distilled water only, pour the water into the open end of elbow (a funnel will be helpful). Water will enter kettle slowly, as air must escape through the same hole. Water should be added until water level at the sight glass is halfway between the minimum and maximum levels.
- When sufficient water has been added, remove elbow and replace pressure relief valve. Be sure to seal threads with a pipe joint compound suitable for steam at 50 psi.
- Vacuum must be re-established (See Re-establishing Vacuum).
FOR REFERENCE
The total amount of distilled water to be added when low level pilot is illuminated:
| MODEL | AMOUNT |
| GLT – 40F | 372 fl. oz. (11 L) |
Re-Establishing Vacuum
Periodically check pressure gauge when kettle is cold. Reading should be in green vacuum zone (below 0 psi). Otherwise air is present and proper heating will not occur. Use the following procedure to remove air and re-establish vacuum:
With the kettle empty, turn the thermostat knob to the highest temperature. When the pressure gauge reaches 20 psi, turn thermostat off, open the pressure relief valve until pressure gauge reads 1 psi, then sharply release it. This should remove the air and restore performance of the kettle.
Should the kettle fail to maintain a vacuum after repeated attempts to establish vacuum, further checks should be made to see if the pressure relief valve is leaking or if there are any leaks in the pressure relief valve piping, copper lines going to the pressure switch, pressure gauge or th ermostat fitting.
Troubleshooting
NOTICE
Loose, broken or grounded wiring may cause many of the symptoms listed.
Check all wiring and make sure it is intact.
| PROBLEM | PROBABLE CAUSE |
|
Motor will not run. | No current. Check that power is being supplied to the unit. |
| Defective thermostat or pressure switch. | |
| Defective motor. | |
| Motor overload out. | |
| Blown fuse. | |
|
Motor runs, no spark. | Defective transformer. |
| Defective ignition module. | |
| Blown fuse on ignition module. | |
| Defective spark electrode (cracked insulator). | |
| Defective ignition cable. | |
| Defective centrifugal switch on motor. | |
|
Motor runs, spark present, no gas ignition. | Manual main valve off. |
| Mislocated spark or ground rods. | |
| Defective valve. | |
| Defective ignition module. | |
| Burner rate set too high. Ensure that manifold pressure is set per rating plate and that correct orifice size installed (See table page 21). | |
| Burner getting too much air. Reduce air shutter opening (not below 1.0). | |
| Low water light comes on. | Add water – See previous section ADJUSTMENTS. |
| Relief valve opens. | Pressure switch set too high. |
| Pressure gauge is not accurate. | |
| Relief valve is faulty | |
|
Flame burns only about six (6) seconds and shuts off. | Flame rod or flame ground mislocated. |
| Defective flame rod wire. | |
| Defective ignition module. | |
| Burner rate set too high. Ensure that manifold pressure is set per rating plate and that correct orifice size installed (See table page 15). | |
| Burner getting too much air. Reduce air shutter opening (not below 1.0). | |
|
Short flame. | Wrong size orifice. (See table on page 15). |
| Low gas pressure. | |
| Air shutter adjustment. | |
| Main manual valve partially closed. | |
|
Long hazy flame. | Wrong size orifice. |
| High gas pressure. | |
| Dirty blower wheel or intake. | |
| Air shutter adjustments. | |
| Gas fails to shut off. | Dirt on valve seat. |
| Defective main valve. |
DOW CHEMICAL CANADA ULC
Product name: DOWFROST™M HD Heat Transfer Fluid, Dyed
DOW CHEMICAL CANADA ULC encourages and expects you to read and understand the entire (M)SDS, as there is important information throughout the document. We expect you to follow the precautions identified in this document unless your use conditions would necessitate other appropriate methods or actions.
- IDENTIFICATION
Product name: DOWFROST ™ HD Heat Transfer Fluid, Dyed Recommended use of the chemical and restrictions on use
Identified uses: Intended as a heat transfer fluid for closed-loop systems. We recommend that you use this product in a manner consistent with the listed use. If your intended use is not consistent with the stated use, please contact your sales or technical service representative.
COMPANY IDENTIFICATION
DOW CHEMICAL CANADA ULC
#2400, 215 – 2ND STREET S.W.
CALGARY AB T2P 1M4
CANADA
Customer Information Number:
EMERGENCY TELEPHONE NUMBER
24-Hour Emergency Contact: 1-888-226-8832
Local Emergency Contact: 613-996-6666
HAZARDS IDENTIFICATION
Hazard classification
This product is not hazardous under the criteria of the Hazardous Products Regulation (HPR) as implemented under the Workplace Hazardous Materials Information System (WHMIS 2015).
Other hazards
No data available
COMPOSITION/INFORMATION ON INGREDIENTS
This product is a mixture.
![]()

This product is a mixture.
Component
CASRN
Concentration
FIRST AID MEASURES
Description of first aid measures
- General advice: If potential for exposure exists refer to Section 8 for specific personal protective equipment.
- Inhalation: Move person to fresh air; if effects occur, consult a physician.
- Skin contact: Wash off with plenty of water.
- Eye contact: Flush eyes thoroughly with water for several minutes. Remove contact lenses after the initial 1-2 minutes and continue flushing for several additional minutes. If effects occur, consult a
physician, preferably an ophthalmologist. - Ingestion: No emergency medical treatment necessary.
Most important symptoms and effects, both acute and delayed: Aside from the information found under Description of first aid measures (above) and Indication of immediate medical attention and
special treatment needed (below), any additional important symptoms and effects are described in - Section 11: Toxicology Information.
Indication of any immediate medical attention and special treatment needed
Notes to physician: No specific antidote. Treatment of exposure should be directed at the control of symptoms and the clinical condition of the patient.
FIREFIGHTING MEASURES
- Suitable extinguishing media: Water fog or fine spray. Dry chemical fire extinguishers. Carbon dioxide fire extinguishers. Foam. Alcohol resistant foams (ATC type) are preferred. General purpose synthetic foams (including AFFF) or protein foams may function, but will be less effective.
- Unsuitable extinguishing media: Do not use direct water stream. May spread fire.
Special hazards arising from the substance or mixture - Hazardous combustion products: During a fire, smoke may contain the original material in addition to combustion products of varying composition which may be toxic and/or irritating. Combustion products may include and are not limited to: Carbon monoxide. Carbon dioxide.
- Unusual Fire and Explosion Hazards: Container may rupture from gas generation in a fire situation. Violent steam generation or eruption may occur upon application of direct water stream to hot liquids.
Advice for firefighters
Fire Fighting Procedures: Keep people away. Isolate fire and deny unnecessary entry. Use water spray to cool fire exposed containers and fire affected zone until fire is out and danger of reignition has passed. Fight fire from protected location or safe distance. Consider the use of unmanned hose holders or monitor nozzles. Immediately withdraw all personnel from the area in case of rising sound from venting safety device or discoloration of the container. Burning liquids may be extinguished by dilution with water. Do not use direct water stream. May spread fire. Move container from fire area if this is possible without hazard. Burning liquids may be moved by flushing with water to protect personnel and minimize property damage.
Special protective equipment for firefighters: Wear positive-pressure self-contained breathing apparatus (SCBA) and protective fire fighting clothing (includes fire fighting helmet, coat, trousers, boots, and gloves). If protective equipment is not available or not used, fight fire from a protected location or safe distance.
ACCIDENTAL RELEASE MEASURES
- Personal precautions, protective equipment and emergency procedures: Keep unnecessary and unprotected personnel from entering the area. Use appropriate safety equipment. For additional information, refer to Section 8, Exposure Controls and Personal Protection.
- Environmental precautions: Prevent from entering into soil, ditches, sewers, waterways and/or groundwater. See Section 12, Ecological Information.
- Methods and materials for containment and cleaning up: Small spills: Absorb with materials such as: Cat litter. Sawdust. Vermiculite. Zorb-all®. Collect in suitable and properly labeled containers.
- Large spills: Dike area to contain spill. See Section 13, Disposal Considerations, for additional information.
HANDLING AND STORAGE
Precautions for safe handling: Conditions for safe storage: Do not store in: Galvanized steel.
Opened or unlabeled containers. Store in the following materials): Carbon steel. Stainless steel.
Store in original unopened container. See Section 10 for more specific information. Additional storage and handling information on this product may be obtained by calling your sales or customer service contact.
EXPOSURE CONTROLS/PERSONAL PROTECTION
Control parameters
Eynosure limits are listed below if they eyist

Consult local authorities for recommended exposure limits.
Exposure controls
Engineering controls: Use local exhaust ventilation, or other engineering controls to maintain airborne levels below exposure limit requirements or guidelines. If there are no applicable exposure
limit requirements or guidelines, general ventilation should be sufficient for most operations. Local exhaust ventilation may be necessary for some operations
Individual protection measures
Eye/face protection: Use safety glasses (with side shields).
Skin protection
Hand protection: Use gloves chemically resistant to this material when prolonged or frequently repeated contact could occur. Examples of preferred glove barrier materials include: Butyl rubber. Natural rubber (“latex”). Neoprene. Nitrile/butadiene rubber (“nitrile” or “NBR”). Polyethylene. Ethyl vinyl alcohol laminate (‘EVAL”). Polyvinyl alcohol (“PVA”). Polyvinyl chloride (“PVC”‘ or ‘vinyl*). NOTICE: The selection of a specific glove for a particular application and duration of use in a workplace should also take into account all relevant workplace factors such as, but not limited to: Other chemicals which may be handled, physical requirements (cut/puncture protection, dexterity, thermal protection), potential body reactions to glove materials, as well as the instructions/specifications provided by the glove supplier.
Other protection: Wear clean, body-covering clothing.
Respiratory protection: Respiratory protection should be worn when there is a potential to exceed the exposure limit requirements or guidelines. If there are no applicable exposure limit requirements or guidelines, wear respiratory protection when adverse effects, such as respiratory irritation or discomfort have been experienced, or where indicated by your risk assessment process. In misty atmospheres, use an approved particulate respirator.
The following should be effective types of air-purifying respirators: Organic vapor cartridge with a particulate pre-filter.
PHYSICAL AND CHEMICAL PROPERTIES


NOTE: The physical data presented above are tvpical values and should not be construed as a specification.
STABILITY AND REACTIVITY
Reactivity: No data available
Chemical stability: Stable under recommended storage conditions. See Storage, Section 7.
Hygroscopic
Possibility of hazardous reactions: Polymerization will not occur.
Conditions to avoid: Exposure to elevated temperatures can cause product to decompose.
Generation of gas during decomposition can cause pressure in closed systems. Avoid direct sunlight or ultraviolet sources.
Incompatible materials: Avoid contact with: Strong acids. Strong bases. Strong oxidizers.
Hazardous decomposition products: Decomposition products depend upon temperature, air supply and the presence of other materials. Decomposition products can include and are not limited to:
Aldehydes. Alcohols. Ethers. Organic acids.
TOXICOLOGICAL INFORMATION
Toxicological information appears in this section when such data is available.
Acute toxicity
Acute oral toxicity
Very low toxicity if swallowed. Harmful effects not anticipated from swallowing small amounts.
For the major component(s): Propylene glycol.
LD50, Rat, > 20,000 mg/kg
Acute dermal toxicity
Prolonged skin contact is unlikely to result in absorption of harmful amounts
For the major component(s): Propylene glycol.
LD50, Rabbit, > 20,000 mg/kg
Acute inhalation toxicity
At room temperature, exposure to vapor is minimal due to low volatility. Mist may cause irritation of upper respiratory tract (nose and throat).
For the major components):
LC50, Rat, 4 Hour, vapour, 6. 15 mg/I No deaths occurred following exposure to a saturated atmosphere.
Skin corrosion/irritation
Prolonged contact is essentially nonirritating to skin.
Repeated contact may cause flaking and softening of skin.
Serious eye damage/eye irritation
May cause slight temporary eye irritation.
Corneal injury is unlikely.
Sensitization
For the major components):
Did not cause allergic skin reactions when tested in humans.
For respiratory sensitization:
No relevant data found.
Specific Target Organ Systemic Toxicity (Single Exposure)
Evaluation of available data suggests that this material is not an STOT-SE toxicant.
Specific Target Organ Systemic Toxicity (Repeated Exposure)
In rare cases, repeated excessive exposure to propylene glycol may cause central nervous system effects.
Carcinogenicity
Similar formulations did not cause cancer in laboratory animals.
Teratogenicity
For the major components): Did not cause birth defects or any other fetal effects in laboratory animals.
Reproductive toxicity
For the major component(s): In animal studies, did not interfere with reproduction. In animal studies, did not interfere with fertility.
Mutagenicity
In vitro genetic toxicity studies were negative. For the major components): Animal genetic toxicity studies were negative.
Aspiration Hazard
Based on physical properties, not likely to be an aspiration hazard.
ECOLOGICAL INFORMATION
Ecotoxicological information appears in this section when such data is available.
Toxicity
Propylene glycol
Acute toxicity to fish
Material is practically non-toxic to aquatic organisms on an acute basis
(LC50/EC50/EL50/LL50 >100 mg/L in the most sensitive species tested).
LC50, Oncorhynchus mykiss (rainbow trout), static test, 96 Hour, 40,613 mg/1, OECD Test
Guideline 203
Acute toxicity to aquatic invertebrates
LC50, Ceriodaphnia dubia (water flea), static test, 48 Hour, 18,340 mg/, OECD Test Guideline 202
Acute toxicity to algae/aquatic plants
ErC50, Pseudokirchneriella subcapitata (green algae), 96 Hour, Growth rate inhibition, 19,000 mg/, OECD Test Guideline 201
Toxicity to bacteria
NOEC, Pseudomonas putida, 18 Hour, > 20,000 mg/
Chronic toxicity to aquatic invertebrates
NOEC, Ceriodaphnia dubia (water flea), semi-static test, 7 d, number of offspring, 13,020 mg/
Dipotassium hydrogen phosphate
Acute toxicity to fish
Material is practically non-toxic to aquatic organisms on an acute basis
(LC50/EC50/EL50/LL50 >100 mg/L in the most sensitive species tested).
LC50, Leuciscus idus (Golden orfe), static test, 48 Hour, > 900 mg/I, Method Not Specified.
Persistence and degradability
Propylene qlvcol
- Biodegradability: Material is readily biodegradable. Passes OECD tests) for ready biodegradability. Biodegradation may occur under anaerobic conditions (in the absence of oxygen).
- 10-day Window: Pass
- Biodegradation: 81 %
- Exposure time: 28 d
- Method: OECD Test Guideline 301F or Equivalent
- 10-day Window: Not applicable
- Biodegradation: 96 %
- Exposure time: 64 d
- Method: OECD Test Guideline 306 or Equivalent
- Theoretical Oxygen Demand: 1.68 mg/mg
- Chemical Oxygen Demand: 1.53 mg/mg
Biological oxygen demand (BOD)

Photodegradation
Atmospheric half-life: 10 Hour
Method: Estimated.
Dipotassium hydrogen phosphate
Biodegradability: Biodegradation is not applicable.
Bioaccumulative potential
Propylene glycol
Bioaccumulation: Bioconcentration potential is low (BCF < 100 or Log Pow < 3).
Partition coefficient: n-octanol/water(log Pow): -1.07 Measured
Bioconcentration factor (BCF: 0.09
Estimated.
Dipotassium hydrogen phosphate
Bioaccumulation: No bioconcentration is expected because of the relatively high water solubility.
Mobility in soil
Propylene glvcol
Given its very low Henry’s constant, volatilization from natural bodies of water or moist soil is
not expected to be an important fate process.
Potential for mobility in soil is very high (Koc between 0 and 50).
Partition coefficient (Koc): < 1 Estimated.
Dipotassium hydrogen phosphate o relevan oar round
DISPOSAL CONSIDERATIONS
Disposal methods: DO NOT DUMP INTO ANY SEWERS, ON THE GROUND, OR INTO ANY BODY OF WATER. All disposal practices must be in compliance with all Federal, State/Provincial and local laws and regulations. Regulations may vary in different locations. Waste characterizations and compliance with applicable laws are the responsibility solely of the waste generator. AS YOUR SUPPLIER, WE HAVE NO CONTROL OVER THE MANAGEMENT PRACTICES OR MANUFACTURING PROCESSES OF PARTIES HANDLING OR USING THIS MATERIAL. THE INFORMATION PRESENTED HERE PERTAINS ONLY TO THE PRODUCT AS SHIPPED IN ITS INTENDED CONDITION AS DESCRIBED IN MSDS SECTION: Composition Information. FOR UNUSED & UNCONTAMINATED PRODUCT, the preferred options include sending to a licensed, permitted: Recycler. Reclaimer. Incinerator or another thermal destruction device
TRANSPORT INFORMATION
TDG
Not regulated for transport
Classification for SEA transport (IMO-IMDG):
Transport in bulk according to Annex or I of MARPOL 73/78 and the
IBC or IGC Code
Classification for AIR transport (IATA/ICAO):
Not regulated for transport
Not regulated for transport
Consult IMO regulations before transporting ocean bulk This information is not intended to convey all specific regulatory or operational requirements/information relating to this product. Transportation classifications may vary by container volume and may be influenced by regional or country variations in regulations. Additional transportation system information can be obtained through an authorized sales or customer service representative. It is the responsibility of the transporting organization to follow all applicable lavs, regulations and rules relating to the transportation of the material.
REGULATORY INFORMATION
Canadian Domestic Substances List (DSL)
This product contains at least one substance which is not listed on the Canadian Domestic
Substances List (DSL).
OTHER INFORMATION
Hazard Rating System
NEDA

Revision
Identification Number: 101199333 / A208 / Issue Date: 01/19/2017 / Version: 7.0
Most recent revision(s) are noted by the bold, double bars in left-hand margin throughout this document.
Legend
![]()

Information Source and References
This SDS is prepared by Product Regulatory Services and Hazard Communications Groups from information supplied by internal references within our company.
DOW CHEMICAL CANADA ULC urges each customer or recipient of this (M)SDS to study it carefully and consult appropriate expertise, as necessary or appropriate, to become aware of and understand the data contained in this (M)SDS and any hazards associated with the product. The information herein is provided in good faith and believed to be accurate as of the effective date shown above.
However, no warranty, express or implied, is given. Regulatory requirements are subject to change and may differ between various locations. It is the buyer’s/user’s responsibility to ensure that his activities comply with all federal, state, provincial or local laws. The information presented here pertains only to the product as shipped. Since conditions for use of the product are not under the control of the manufacturer, it is the buyer’s/user’s duty to determine the conditions necessary for the safe use of this product. Due to the proliferation of sources for information such as manufacturer-specific (M)SDSs, we are not and cannot be responsible for (M)SDSs obtained from any source other than ourselves. If you have obtained an (M)SDS from another source or if you are not sure that the (M)SDS you have is current, please contact us for the most current version.
A product with the Crown name incorporates the best in durability and low maintenance. We all recognize, however, that replacement parts and occasional professional service may be necessary to extend the useful life of this appliance
When service is needed, contact a Crown Authorized Service Agency, or your dealer. To avoid confusion, always refer to the model number, serial number, and type of your appliance.
CROWN FOOD SERVICE EQUIPMENT
1 A Middleby Company
70 Oakdale Road, Downsview (Toronto) Ontario, Canada, M3N 1V9
Telephone: 919-762-1000
www.crownsteamgroup.com
















