Battery-Box Premium Quick Start Guide
HVS 5.1, 7.7, 10.2, 12.8
HVM 8.3, 11.0,13.8, 16.6, 19.3, 22.1
A High Voltage Battery System
BYD Smart Device Hungary Kft. V2.3
Legal Provisions
All the information in this document is the property of BYD Smart Device Hungary Kft. No part of this document could be reproduced in any way for business use. Internal use is allowed.
BYD Smart Device Hungary Kft. makes no representations or warranties express or implied, with respect to this document or any of the equipment and/or software it may describe, including (with no limitation) any implied warranties of utility, merchantability, or fitness for any particular purpose. All such representations or warranties are expressly disclaimed. Neither BYD Smart Device Hungary Kft. nor its distributors or dealers shall be liable for any indirect, incidental, or consequential damages under any circumstances.
The exclusion of implied warranties may not apply in all cases under some statutes, and thus the above exclusion may not apply.
Specifications are subject to change without notice. Every effort has been made to make this document complete, accurate, and up-to-date. However, BYD Smart Device Hungary Kft. may need to make some improvements under certain circumstances without advance notice. BYD Smart Device Hungary Kft. shall not be responsible for any loss caused by this document, including, but not limited to omissions, errors, typographical errors, arithmetical errors, or listing errors in this document.
All trademarks are recognized.
Limited Warranty
You can download the current Limited Warranty from the Internet at websites:
BYD Global Service, www.bydbatterybox.com,
BYD service partner in Europe, www.eft-systems.de,
BYD service partner in Australia, www.alpspower.com.au.
BYD Smart Device Hungary Kft.
H-2071 Páty, Szent József út 4.
Information on this Document
1.1. Validity
This document is valid for the Battery-Box Premium HVS 5.1, 7.7, 10.2, 12.8, and HVM 8.3, 11.0, 13.8, 16.6, 19.3, 22.1 from firmware version 3.3.
1.2. Target Group
The instructions in this document may only be performed by qualified persons who must have the following skills:
- Knowledge of how batteries work and are operated
- Knowledge of how an inverter works and is operated
- Knowledge of, and adherence to the locally applicable connection requirements, standards, and directives*
* The local standard for Australia is AS/NZS 5139:2019 - Knowledge of, and adherence to this document and the associated system documentation, including all safety instructions
- Training in dealing with the hazards associated with the installation and operation of electrical equipment and batteries
- Training in the installation and commissioning of electrical equipment
Failure to do so will make any manufacturer’s warranty, guarantee or liability null, and void unless you can prove that the damage was not due to non-compliance.
1.3. Content and Structure of this Document
This document contains safety information and instructions on installing, connecting, and commissioning. Please finish reading this document before taking any actions on the battery system.
The latest version of this document and the manual for installation, commissioning, and operation are to be found in PDF format at our websites.
This document only contains brief information and may deviate from the real system.
Safety
2.1. Intended Use
The battery system is for residential and works with a photovoltaic system. It is a high voltage Li-ion battery storage system, with the control module on itself.
The system could be connected with the Internet through a network cable for maintenance and software updates.
The system must only be used as stationary equipment.
The system is suitable for indoor and outdoor use.
The system must only be operated in connection with a compatible inverter. The list (BYD Battery-Box Premium HVS & HVM Compatible Inverter List) of these inverters could be read at our websites.
The system is not suitable for supplying life-sustaining medical devices. Please ensure that no personal injury would lead due to the power outage of the system.
Alterations to the BYD system, e.g., changes or modifications are not allowed unless the written permission of BYD is achieved.
Please download Be Connect from Google Play or App Store to accomplish the commissioning of the system.
The enclosed document is an integral part of this system. Keep the documentation in a convenient, dry place for future reference and observe all instructions contained therein. The type label should always be attached to the system.
2.2. IMPORTANT SAFETY INSTRUCTIONS
The system has been designed and tested under international safety requirements. However, to prevent personal injury and property damage and ensure long-term operation of the system, please do read this section carefully and observe all safety information at all times.
2.2.1. Battery module leakage
If the battery modules leak electrolytes, contact with the leaking liquid or gas should be avoided. The electrolyte is corrosive, and the contact may cause skin irritation and chemical burns. If one is exposed to the leaked substance, do these actions:
Inhalation: Evacuate the contaminated area and seek medical help immediately.
Eye contact: Rinse eyes with flowing water for 15 minutes and seek medical help immediately.
Skin contact: Wash the affected area thoroughly with soap and water and seek medical help immediately.
Ingestion: Induce vomiting and seek medical help immediately.
2.2.2. Firefighting measures
The battery modules may catch fire when it is put into the fire. In case of a fire, please make sure that an ABC or carbon dioxide extinguisher is nearby. Water cannot be used to extinguish the fire.
Full protective clothing and self-contained breathing apparatus are required for the firefighters to extinguish the fire.
2.2.3. Battery modules handling and storage guide
- The battery modules and its components should be protected from damage when transporting and handling.
- The weight of the system may cause injury risk. Please take the weight of the system into account while the system is transported and lifted carefully.
- Do not impact, pull, drag, or step on the battery modules.
- Do not insert unrelated objects into any part of the battery modules.
- Do not throw the battery module into a fire.
- Do not soak the battery modules in water or seawater.
- Do not expose to strong oxidizers.
- Do not short circuit the battery modules.
- The battery modules cannot be stored at high temperatures (more than 60 ℃).
- The battery modules cannot be stored directly under the sun.
- The battery modules cannot be stored in a high humidity environment.
- Use the battery modules only as directed.
- Do not use the battery modules if it is defective, or appears cracked, broken or otherwise damaged, or fails to operate.
- Do not attempt to open, disassemble, repair, tamper with, or modify the battery modules. The battery modules are not user-serviceable.
- Do not use cleaning solvents to clean the battery modules.
2.2.4. Warning of electric shock
It is a danger to life due to electric shock when live components or DC cables are touched.
The DC cables connected to the system may be live. Touching live DC cables results in death or serious injury due to electric shock.
- Disconnect the battery from a voltage source and make sure it can not be reconnected before working on the device.
- Do not touch non-insulated parts or cables.
- Do not remove the terminal block with the connected DC conductors from the slot under load.
- Wear suitable personal protective equipment for all work on the system.
2.2.5. Notice of property damage
If the battery system doesn’t start at all, please contact BYD authorized service partner within 48 hours. Otherwise, the battery could be permanently damaged.
When the system is installed, it needs to be able to charge and discharge to avoid a deep discharge condition. After the installation, this needs to be checked once a month. If the battery system is not working normally, please get in contact with your local service partner.
During the storage of the battery system, please mind the maximum storage time.
2.2.6. Surge protection
Overvoltages (e. g. in the event of a flash of lightning) can be further conducted into the building and to other connected devices in the same network via the network cables or other data cables if there is no surge protection.
Ensure that the system is integrated into the existing surge protection.
2.2.7. Safety Information of the inverter manufacturer
Please read and observe all safety information of the inverter manufacturer.
Symbols on the Battery System
| Symbol | Explanation |
| Observe the documents Observe all documents supplied with the system. | |
| Grounding conductor This symbol indicates the position for connecting a grounding conductor. | |
![]() | WEEE designation Do not dispose of the system together with the household waste but in accordance with the disposal regulations for electronic waste applicable at the installation site. |
| CE marking The system complies with the requirements of the applicable EU directives. | |
| Place it straight up, without inclination or upside down. | |
| Handle with care | |
![]() | Keep it dry |
![]() | Keep the battery modules away from open flame or ignition sources. |
![]() | Beware of electrical voltage. |
![]() | Beware of a danger zone This symbol indicates that the system must be additionally grounded if additional grounding or equipotential bonding is required at the installation site. |
| Keep the battery modules away from children. | |
| RCM (Regulatory Compliance Mark), a brief guide to electrical equipment approvals in Australia | |
| Do not short circuit. |
EU Declaration of Conformity
The battery system described in this document complies with the applicable European directives. The certificate is available in the download area of our websites.
Technical Parameters


| HVS & HVM | |
| Operating Temperature | -10 °C to +50°C |
| Battery Cell Technology | Lithium Iron Phosphate (cobalt-free) |
| Communication | CAN/RS485 |
| Enclosure Protection Rating | IP55 |
| Round-trip Efficiency | .96`)/0 |
| Certification | VDE2510-50 / IEC62619 / CEC / CE / UN38.3 |
| Applications | ON Grid / ON Grid + Backup / OFF Grid |
| Warranty [3] | 10 Years |
| Compatible Inverters | Refer to BYD Battery-Box Premium HVS/HVM Compatible Inverter List |
- DC Usable Energy, Test conditions: 100% DOD, 0.2C charge & discharge at +25°C. System Usable Energy may vary with different inverter brands.
- Power derating will occur between -10°C and +5°C.
- Conditions apply. Refer to BYD Battery-Box Premium Limited Warranty.
Instructions
- Scope of Delivery

- Additionally Required Installation Material

- Tools

- Installation Location

- Connection Limitation



- Installation




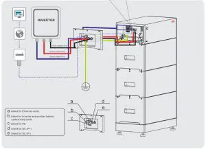
- Connection Diagram




- Connecting the Grounding Conductor




- Communication Cable Connection to Inverter















10. Connecting the Data Cable for the Internal Communication (Only needed when two or three battery systems are operated in parallel.)
11. Connecting the Network

12. DC Connection
13. Close up
14. Commissioning
14.1 Switch on the Battery System
14.2 Configuration




14.3 Switch on the Inverter
15. Operation
15.1 Start Procedure
15.2 Switch off Order
16. Extension
17. LED Stus
Contact
| BYD Global Service bboxserviœ@byd.œm Telephone: +86 755 89888888-47175 Address: No.3009,BYD Road, Pingshan,Shenzhen,5118118, P.R.China Website: www.bydbatterybox.com Social media link: htt 9://www.facebook.œm/BatteryBoxBYD/ https://twitter.corn/BYD BatteryBox https://www.linkedin.œm/œmpany/byd-battey | |
| Australia Alps Power Pty Ltd [email protected] Telephone: +61 2 8005 6688 Address: 14/47-51 Lorraine St Peakhumt NSW 221 www.alpspower.oom.au | Europe EFT Systems GmbH [email protected] Telephone: +49 9352 8523999 +44 (0) 2037695998(UK) +34 91 060 22 67(ES) +39 0287 368364(IT) Address: Bruchtannenstraae 28, 63801 KleinosthRÏm, Germany Website: www.eft-systems.de |
| South AFRIPLUS ENERGY GROUP (PTY) Africa LTD Support@afripluænergy.co.za Telephone: +27 21 140 3594 Address: The Pavilion, Corner of Dock & PO WDOd Raad, V&A WATERFRONT, 8001, CAPE TOWN | USA BYD US Service [email protected] Telephone: +1(B33) 338•8721 |
WIFI Name, Passwort und Seriennummer/









Contact















